EasyManua.ls Logo

Subaru Forester 2004 - Page 555

Subaru Forester 2004
622 pages
Print Icon
To Next Page IconTo Next Page
To Next Page IconTo Next Page
To Previous Page IconTo Previous Page
To Previous Page IconTo Previous Page
Loading...
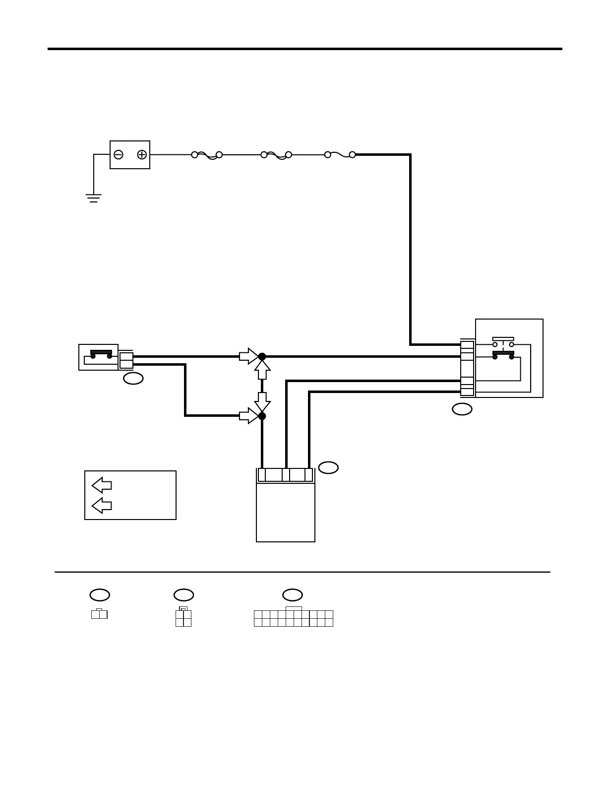
CC(H4SO)-23
CRUISE CONTROL SYSTEM (DIAGNOSTIC)
Diagnostic Procedure with Symptom
G: CHECK CLUTCH SWITCH (MT MODEL)
TROUBLE SYMPTOM:
Cruise control cannot be set.
WIRING DIAGRAM:
CC-00033
B107
B94B65
AT :AT MODEL
MT :MT MODEL
1 2 123456789
10
11 12 13 14 15 16 17 18 19 20
BATTERY
CRUISE
CONTROL
MODULE
SBF-1 SBF-2
F/B No.16
CLUTCH
SWITCH (MT MODEL)
1
2
B65
B94
B107
STOP LIGHT SWITCH
AND BRAKE SWITCH
BRAKE
SWITCH
STOP LIGHT
SWITCH
4
3
1
2
20
11
16
AT
MT
MT
AT
1 2
3 4

Table of Contents

Related product manuals