EasyManua.ls Logo

Subaru Forester 2004 - Page 557

Subaru Forester 2004
622 pages
Print Icon
To Next Page IconTo Next Page
To Next Page IconTo Next Page
To Previous Page IconTo Previous Page
To Previous Page IconTo Previous Page
Loading...
CC(H4SO)-25
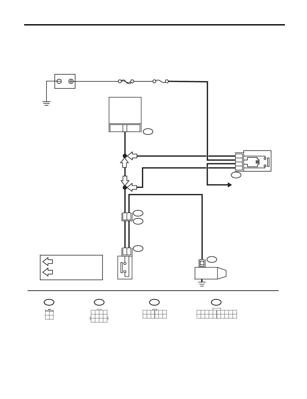
CRUISE CONTROL SYSTEM (DIAGNOSTIC)
Diagnostic Procedure with Symptom
H: CHECK INHIBITOR SWITCH (AT MODEL)
TROUBLE SYMPTOM:
Cruise control cannot be set.
WIRING DIAGRAM:
CC-00254
B94T7B12
B323
123456789
10
11 12 13 14 15 16 17 18 19 20
123
4
56
7
8
9
10
11 12
B94
B323
B12
T3
T7
B14
CRUISE
CONTROL
MODULE
INHIBITOR
SWITCH (AT MODEL)
STARTER
MOTOR
412
11
12
7
WS
WS
WS
OS
OS
1 2 3 4 5 6
7 8 9
10 11 12
:
WITHOUT SECURITY SYSTEM
:
WITH SECURITY SYSTEM
TO SECURITY
SYSTEM
34
12
OS
BATTERY
SBF-1
M/B No.2
SECURITY RELAY
2
1
3
4

Table of Contents

Related product manuals