EasyManua.ls Logo

Subaru Forester 2004 - Page 588

Subaru Forester 2004
622 pages
Print Icon
To Next Page IconTo Next Page
To Next Page IconTo Next Page
To Previous Page IconTo Previous Page
To Previous Page IconTo Previous Page
Loading...
CC(H4DOTC 2.5)-16
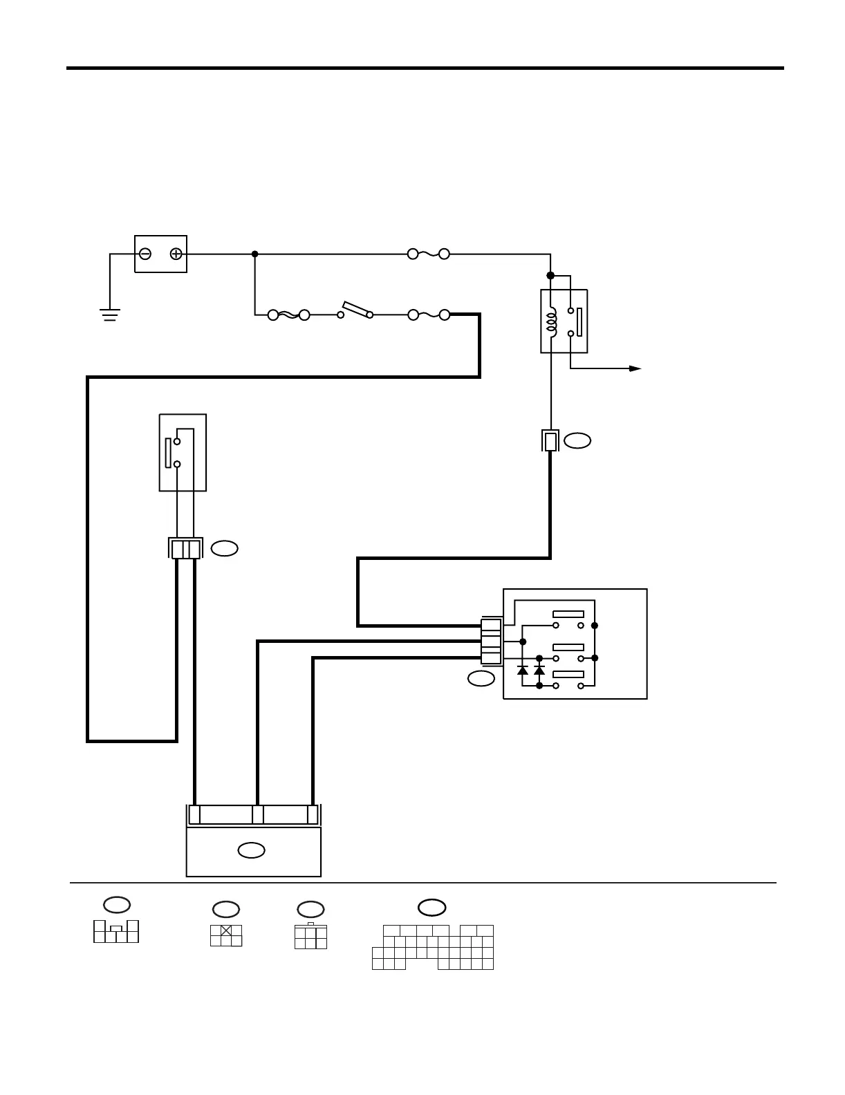
CRUISE CONTROL SYSTEM (DIAGNOSTIC)
Diagnostic Procedure with Diagnostic Trouble Code (DTC)
8. Diagnostic Procedure with Diagnostic Trouble Code (DTC)
A: DTC 11, 15, 21 AND 24 CRUISE CONTROL COMMAND SWITCH
TROUBLE SYMPTOM:
Cruise control cannot be set. (Cancelled immediately.)
Cruise control cannot be released.
WIRING DIAGRAM:
CC-00256
F37B236
3
12
6
45
3
12
45
B136
9
302928 3231
201918 2221
10
12
11
14
24
3433
27
26
16
1 2 3 4
5 6
13
23
15
25
87
17
35
B136
M/B No.6
10
11
3
B236
1
SET
SWITCH
CANCEL
SWITCH
RESUME
SWITCH
SBF-4
F/B No.18
7
ECM
BATTERY
HORN
IGNITION
SWITCH
5
CRUISE CONTROL
MAIN SWITCH
4
B161
2
3
CRUISE CONTROL
COMMAND SWITCH
F37
HORN
RELAY
B161
12
3456

Table of Contents

Related product manuals