EasyManua.ls Logo

Subaru Forester 2004 - Page 592

Subaru Forester 2004
622 pages
Print Icon
To Next Page IconTo Next Page
To Next Page IconTo Next Page
To Previous Page IconTo Previous Page
To Previous Page IconTo Previous Page
Loading...
CC(H4DOTC 2.5)-20
CRUISE CONTROL SYSTEM (DIAGNOSTIC)
Diagnostic Procedure with Diagnostic Trouble Code (DTC)
C: DTC 13 CLUTCH SWITCH
TROUBLE SYMPTOM:
Cruise control cannot be set.
Cruise control cannot be released.
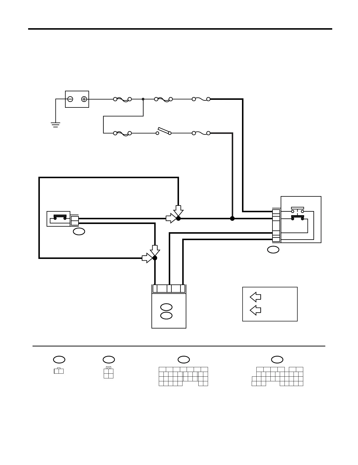
WIRING DIAGRAM:
CC-00257
B107
B65
1 2
SBF-1 SBF-2
F/B No.16
2
1
B65
B107
1
3
4
2
C8
A1
C9
1 2
3 4
STOP LIGHT
SWITCH
CLUTCH
SWITCH
(MT MODEL)
BATTERY
B134
A:
B136
C:
ECM
B134
9
302928 3231
201918 2221
10 1211
14
24
3433
2726
1716
1 2 3 4 5 6 7
13
23
15
25
8
B136
9
302928 3231
201918 2221
10
12
11
14
24
3433
27
26
16
1 2 3 4
5 6
13
23
15
25
87
17
35
C:A:
SBF-4
F/B No.11
IGNITION
SWITCH
BRAKE
SWITCH
STOP LIGHT SWITCH
AND BRAKE SWITCH
AT
:MT MODEL
:AT MODEL
AT
MT
MT
MT
AT

Table of Contents