EasyManua.ls Logo

Subaru Forester 2004 - Page 598

Subaru Forester 2004
622 pages
Print Icon
To Next Page IconTo Next Page
To Next Page IconTo Next Page
To Previous Page IconTo Previous Page
To Previous Page IconTo Previous Page
Loading...
CC(H4DOTC 2.5)-26
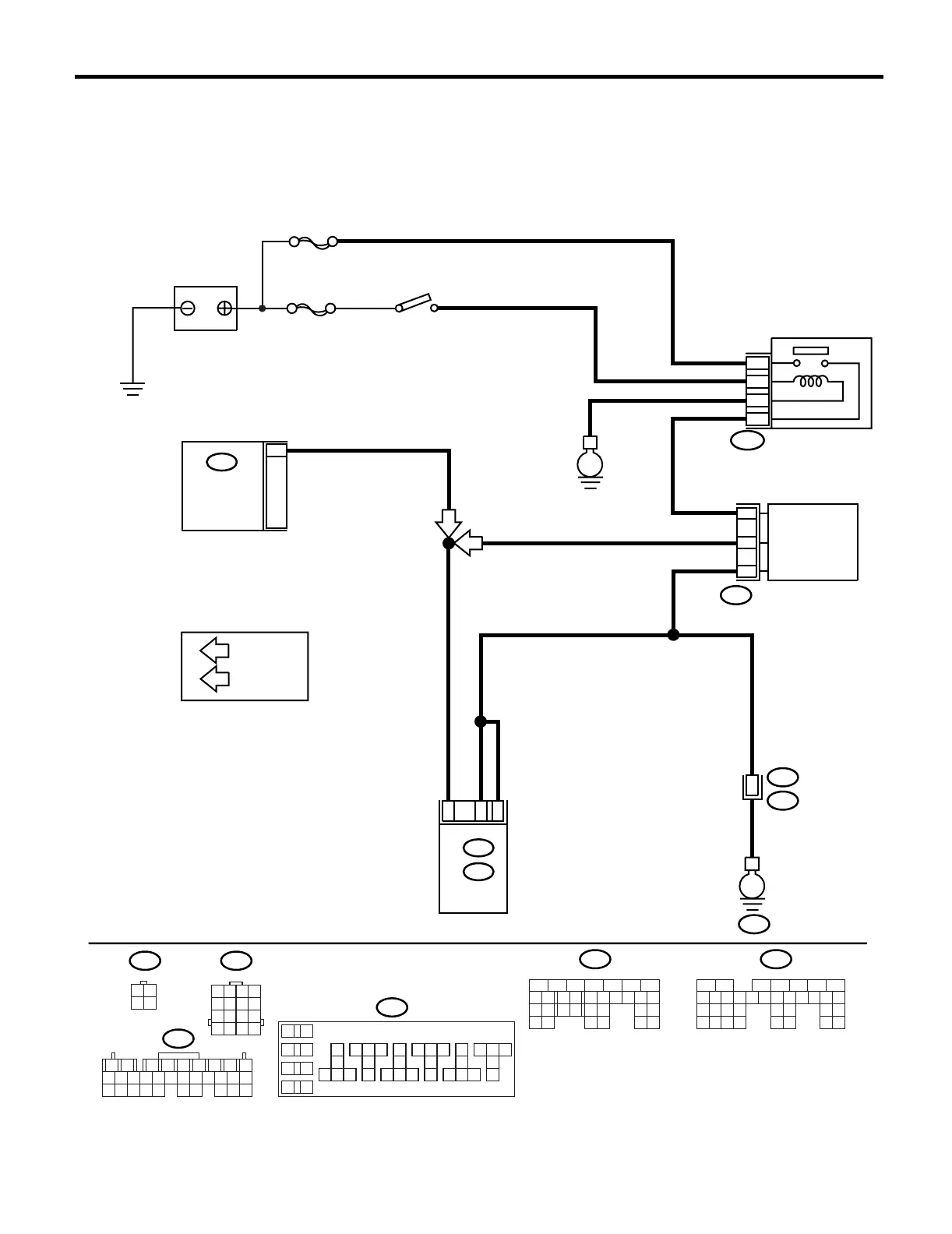
CRUISE CONTROL SYSTEM (DIAGNOSTIC)
Diagnostic Procedure with Diagnostic Trouble Code (DTC)
F: DTC 22 AND 32 VEHICLE SPEED SENSOR
DIAGNOSIS:
Disconnection or short circuit of vehicle speed sensor system.
TROUBLE SYMPTOM:
Cruise control cannot be set. (Cancelled immediately.)
WIRING DIAGRAM:
3
4
12
12
7
8
956
3
4
10 11 12
19 20 21
29 30 31
13
14 15
16
17
27 28
18
22 23 24 25 26
10
11 12 13
14 15 16
17
18
19
20
21 22 23
24 25 26
27
28
29
30
31 32 33
34 35 36
37
38
1 2
9
3 4
5 6
7 8
B21
123
4
56
7
8
9
10
11 12
13
14 15 16
B17
B137
9
30
2928
31
20
1918
22
21
10
12
11
14
24
2726
1716
1 2 3 4 5 6 7
13
23
15
25
8
D:
B56
B225
B135
9
30
2928
31
20
1918
22
21
10
12
11
14
24
2726
1716
1 2 3 4 5 6 7
13
23
15
25
8
B:
32 33 34 35
CC-00260
SBF-4
B17
1
2
3
D2
B26
E
B21
E2
GE
B137
ECM
D:
B135B:
BATTERY
IGNITION
SWITCH
VEHICLE SPEED
SENSOR
(MT MODEL)
F/B No.5
IGNITION RELAY
10
13
11
9
D1
16
E
B225
B56
TCM
(AT MODEL)
1
AT
:AT MODEL
MT
:MT MODEL
MT
AT

Table of Contents

Related product manuals