EasyManua.ls Logo

Subaru Forester 2004 - Page 68

Subaru Forester 2004
622 pages
Print Icon
To Next Page IconTo Next Page
To Next Page IconTo Next Page
To Previous Page IconTo Previous Page
To Previous Page IconTo Previous Page
Loading...
AC-14
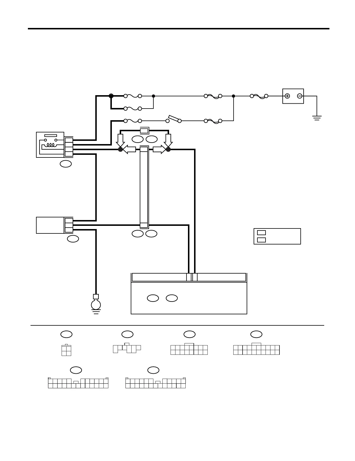
HVAC SYSTEM (AUTO A/C)(DIAGNOSTIC)
Diagnostics for A/C System Malfunction
B: BLOWER FAN DOES NOT ROTATE.
TROUBLE SYMPTOM:
Blower motor does not rotate.
Blower motor does not change.
WIRING DIAGRAM:
AC-00150
E
B50
B50 B87
A:
i48
B:
i49
4
3
1
2
B87
5
2
1
SBF-1SBF-3F/B NO.1
SBF-4
F/B NO.2
F/B NO.17
B16
B15
18
B202
B202
i41
22
3
4
12
1 2 3 4 5 6 12345678
9
10 11 12 13 14 15 16
123456789
10
11 12 13 14 15 16 17 18 19 20
3412 89
10 11
12 13 14 15 16 17 18 19 20 21 22 23 24
567
A: i48 B: i49
BATTERY
IGNITION
SWITCH
BLOWER
MOTOR RELAY
BLOWER MOTOR
B201
3412 89
10 11
12 13 14 15 16 17 18 19 20 21 22 23 24
56 7
3
RHD
RHD
LHD
LHD
: LHD MODEL
: RHD MODEL
LHD
RHD
B201 i40
AUTO A/C CONTROL MODULE

Table of Contents

Related product manuals