EasyManua.ls Logo

Subaru Forester 2004 - Page 71

Subaru Forester 2004
622 pages
Print Icon
To Next Page IconTo Next Page
To Next Page IconTo Next Page
To Previous Page IconTo Previous Page
To Previous Page IconTo Previous Page
Loading...
AC-17
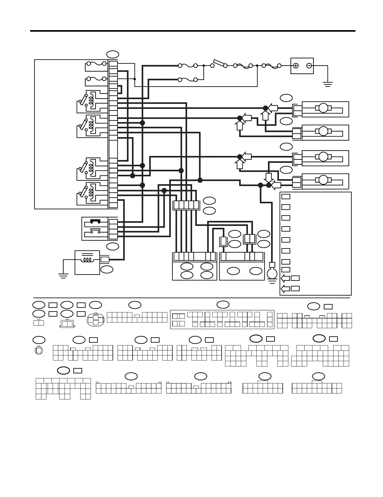
HVAC SYSTEM (AUTO A/C)(DIAGNOSTIC)
Diagnostics for A/C System Malfunction
RHD model
AC-00883
A: B134 :
B: B135 :
B202
D: B137 :
C: B136 :
F2
F27
E
A:
i48
F27
F17
F79
B202
i41
B201
i40
F24
F16 F79
B201
F17
B:
i49
A:
B134 B136
B135 B137
C:
B: D:
IGNITION
SWITCH
BATTERY
A/C RELAY HOLDER
FAN RELAY
FAN RELAY
A/C RELAY
PRESSURE SWITCH
COMPRESSOR
MAGNET
CLUTCH
FAN MODE RELAY
SUB FAN FUSE
MAIN FAN FUSE
MAIN FAN MOTOR
1
M
SBF-1
SBF-4
F/B NO.17
F/B NO.18
1
2
3
2
1
4
30
33
32
31
34
8
6
7
9
5
29
26
27
28
25
19
16
15
18
17
4
3
2
1
B15
A10
B17
F17
MAIN FAN MOTOR
M
F16
SUB FAN MOTOR
M
2
1
F16
SUB FAN MOTOR
M
2 1
12 13
14
15 16
17
18
19
20
10
11
21
22 23
24
25 26
27
28
29
30
31
32 33
34
35
36
1 2
9
3 4
56
7
8
2
3
1
4
567
8
21
9
4
3
10
2422 23 25
11 12 13 14 15
26 27
28
16
17 18 19
20 21
4
1
5
3
2
6
1815 16
7 8 9
10 11
17 19
20
12
13
14
1 2 3 4 5 6 7 8
9
10 11 12 13 14 15 16 17 18 19 20 21 22 23
24 25 26 27 28 29 30 31 32 33 34 35
AUTO A/C
CONTROL MODULE
ECM
21
23
56
7
8
21
9
4
3
10
2422 23 25
11 12 13 14 15
26
16
17
18 19
20 21
3412 89
10 11
12 13 14 15 16 17 18 19 20 21 22 23 24
567
D: B137 :
B: B135 :
C: B136 :
A: i48
12345678
9
10 11 12 13 14 15 16
B: i49
12345678
9
10
11 12 13 14 15 16
17 18 19 20
: TURBO MODEL : B33
NON-TURBO MODEL : A9
1
*
: TURBO MODEL : B24
NON-TURBO MODEL : A13
2
*
: TURBO MODEL : B25
NON-TURBO MODEL : A14
3
*
: TURBO MODEL : C30
NON-TURBO MODEL : B11
4
*
: TURBO MODEL : D17
NON-TURBO MODEL : C11
5
*
: TURBO MODEL : D13
NON-TURBO MODEL : D13
6
*
: TURBO MODEL
TB
: NON-TURBO MODEL
NA
: EXCEPT NON-TURBO
AT MODEL
ET
ET
NA
TB
TB
NANA
NA
TB
19
18
7
21
22
3
1
*
2
*
3
*
4
*
5
*
6
*
F2
B100
ET
ET
TA
TA
ET
TA
ET
: TURBO AT MODEL
TA
TA
TA
ET
:
ET
:
567
8
21
9
43
10
2422 23 25
11 12 13 14 15
26 27
28
16 17 18 19
20 21
29 30 31 32 33 34 35
56
78
21
9
43
10
2422 23 25
11 12 13
14
15
26 27
28
16
17 18 19 20 21
33 34
29
32
30
31 35
567
8
21
9
43
10
22 23
11 12 13 14 15
24 25
26
16 17
18 19 20 21
27 28 29 30 31
12345 6789
10
11
12
19 20 21
13 14 15
16
17
18 22
3412 89
10 11
12 13 14 15 16 17 18 19 20 21 22 23 24
56 7
F24
1
F16
F17
TA
:
TA
:
1 2
2
1
2
1

Table of Contents

Related product manuals