EasyManua.ls Logo

SYNAPTICON SOMANET Circulo 7 - Page 323

Default Icon
1031 pages
Print Icon
To Next Page IconTo Next Page
To Next Page IconTo Next Page
To Previous Page IconTo Previous Page
To Previous Page IconTo Previous Page
Loading...
Pin # Signal Function Object Mapping
1 +5 V * Supply for external use 100 mA max
2 Analog In 2 - Differential - ** Analog input 2 (0x2402)
3 Analog In 2 + Differential + ** Analog input 2 (0x2402)
4 GND Ground
5 Analog In 1 Single-ended 0-5 V Analog input 1 (0x2401)
6 +10 V*** Supply for external use 25 mA max
* The supply is protected against short to ground and keeps the current below 400mA in a continuous short.
** V = 5 V; Common mode voltage V = -1…5V.
*** The supply is protected against short to ground and keeps the current below 100mA in a continuous
short.
The Analog Inputs have a 12 bit resolution
diff,max cm
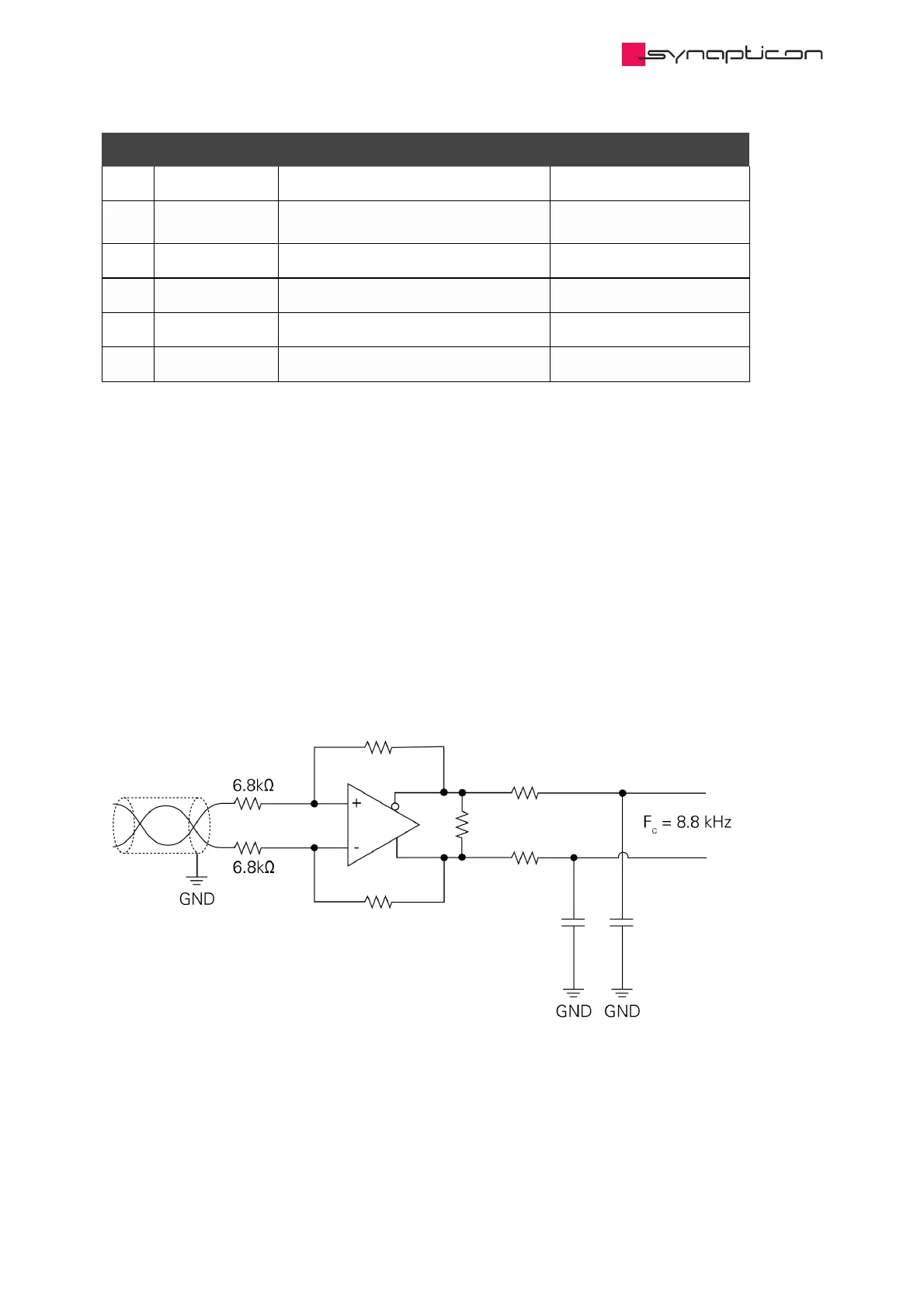
1.5.2.2.1.2.2.1 Analog input resistance
1.5.2.2.1.2.2.1.1 Differential
Synapticon Documentation
© 2021 Synapticon GmbH | Daimlerstraße 26 | D-71101 Schönaich Documentation v 4.19.0 | Built 2022-02-01 323/1031

Table of Contents

Related product manuals