EasyManua.ls Logo

SYNAPTICON SOMANET Circulo 7 - Connection Diagrams for the STO;SBC Feedback Output

Default Icon
1031 pages
Print Icon
To Next Page IconTo Next Page
To Next Page IconTo Next Page
To Previous Page IconTo Previous Page
To Previous Page IconTo Previous Page
Loading...
Attention
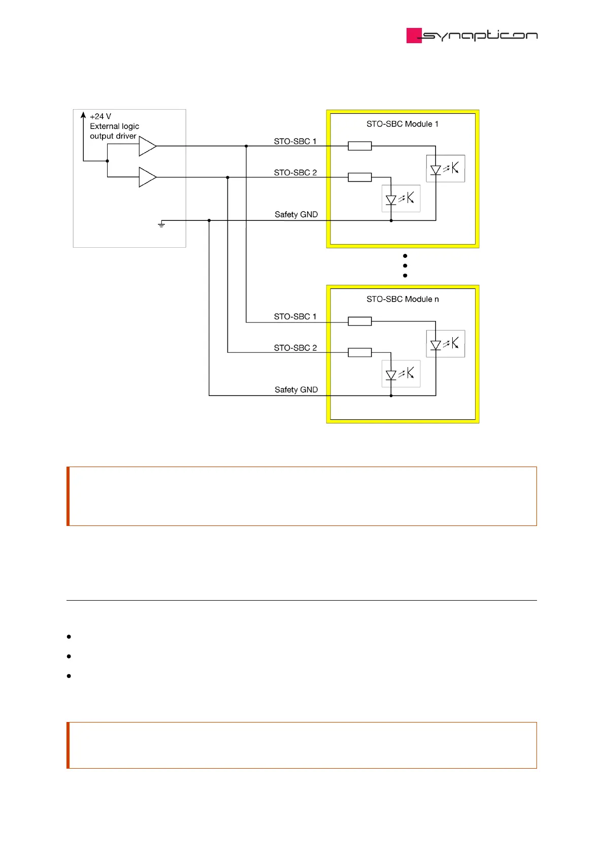
In case of multiple drive connection, ensure that the output driver has sufficient current driving
capability.
1.5.1.4.2.2 Connection diagrams for the STO/SBC feedback
output
The STO-SBC feedback can be used for safety diagnostic purposes
Feedback to emergency stop relay (See Use cases)
Feedback to safety PLC
Maintenance test (See section Maintenance)
The STO/SBC feedback can be used as an indication of safe state of the drive/system (e.g. LED).
Attention
STO/SBC feedback shall not be used as a safety function!
Synapticon Documentation
© 2021 Synapticon GmbH | Daimlerstraße 26 | D-71101 Schönaich Documentation v 4.19.0 | Built 2022-02-01 292/1031

Table of Contents

Related product manuals