EasyManua.ls Logo

SYNAPTICON SOMANET Circulo 7 - Page 291

Default Icon
1031 pages
Print Icon
To Next Page IconTo Next Page
To Next Page IconTo Next Page
To Previous Page IconTo Previous Page
To Previous Page IconTo Previous Page
Loading...
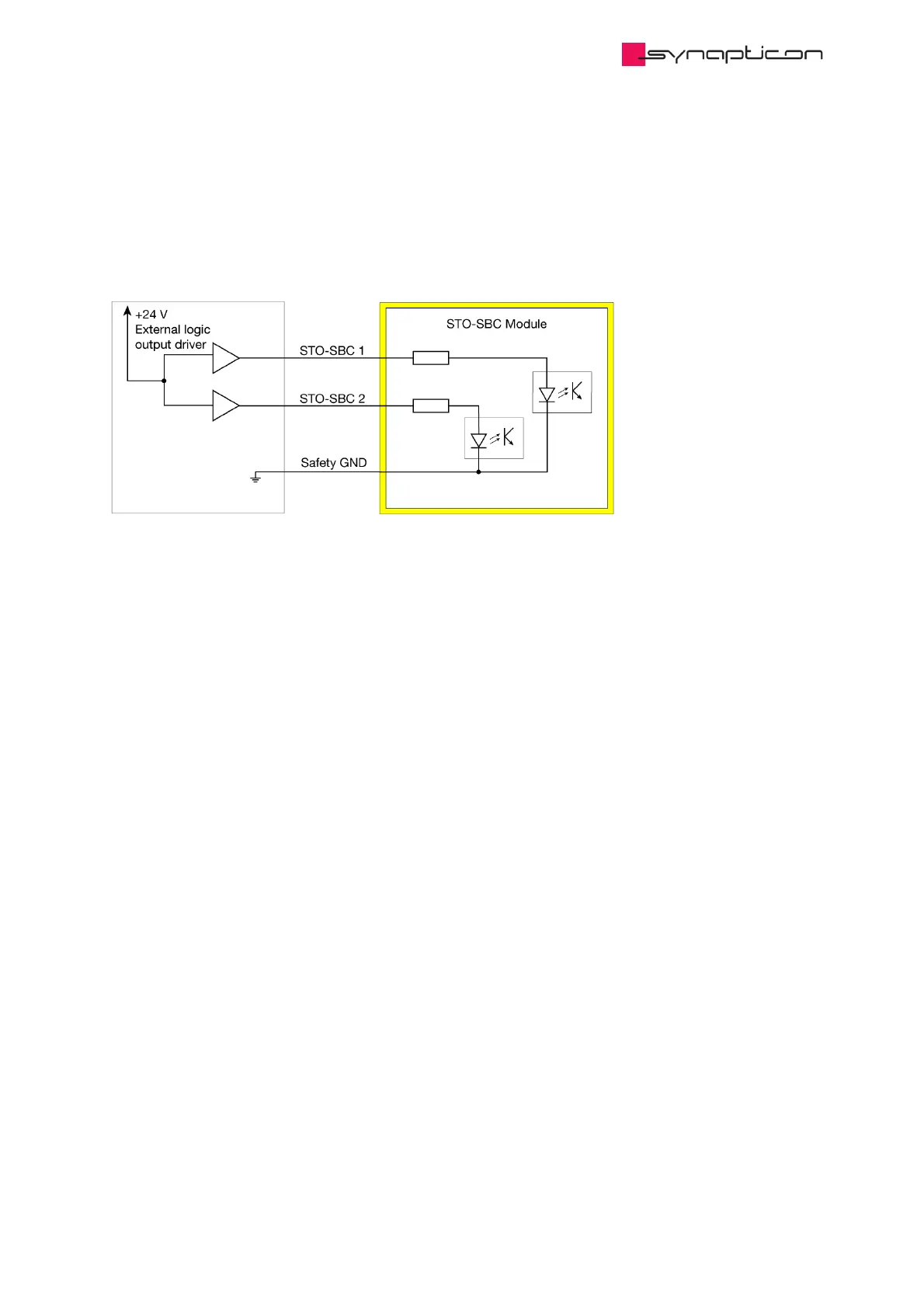
1.5.1.4.2.1.6 Safety PLC PP (Plus-Plus output) + drive
Allows safety functions up to SIL 3, PL e, cat.3.
For example: Safety PLC output or safety sensors (e.g. Safety light curtain, safety scanner etc.)
1.5.1.4.2.1.7 Safety PLC PP (Plus-Plus output) + multiple drives
Allows safety functions up to SIL 3, PL e, cat.3.
Synapticon Documentation
© 2021 Synapticon GmbH | Daimlerstraße 26 | D-71101 Schönaich Documentation v 4.19.0 | Built 2022-02-01 291/1031

Table of Contents

Related product manuals