EasyManua.ls Logo

SYNAPTICON SOMANET Circulo 7 - Goal of Velocity Auto-Tuning

Default Icon
1031 pages
Print Icon
To Next Page IconTo Next Page
To Next Page IconTo Next Page
To Previous Page IconTo Previous Page
To Previous Page IconTo Previous Page
Loading...
Note
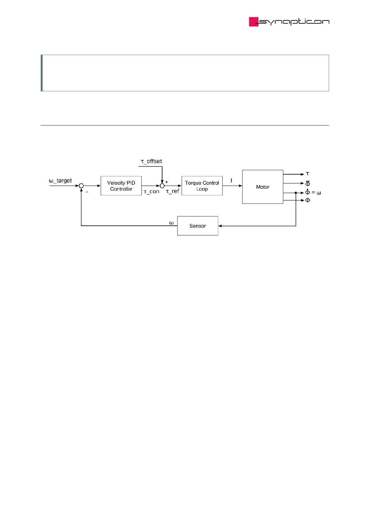
In our experience, the cascaded PID controller structure is one of the most effective for motor control
applications. For details see PID Controllers: Theory, Design, and Tuning
2.4.2.3 Goal of Velocity Auto-tuning
The Velocity Auto-tuning process calculates the gains for the velocity controller automatically.
Synapticon Documentation
© 2021 Synapticon GmbH | Daimlerstraße 26 | D-71101 Schönaich Documentation v 4.19.0 | Built 2022-02-01 482/1031

Table of Contents

Related product manuals