EasyManua.ls Logo

SYNAPTICON SOMANET Circulo 7 - Using a Velocity Offset Additionally; Object Used for Velocity Feed Forward

Default Icon
1031 pages
Print Icon
To Next Page IconTo Next Page
To Next Page IconTo Next Page
To Previous Page IconTo Previous Page
To Previous Page IconTo Previous Page
Loading...
Note
It is highly recommended to use an encoder with a resolution of more than 14 bit per revolution. Using
encoders with a lower resolution will result in computed velocity quantization and torque spikes during
the acceleration of the motor. Using a dual loop control might result in a similar effect if the gear
reduction ratio is high and the resolution of the driving shaft encoder is small. In these cases, the
feature still can be used with a very low cut-off frequency (5-10 Hz). Alternatively, a master-generated
feed forward velocity can be sent to the slave via the velocity offset object.
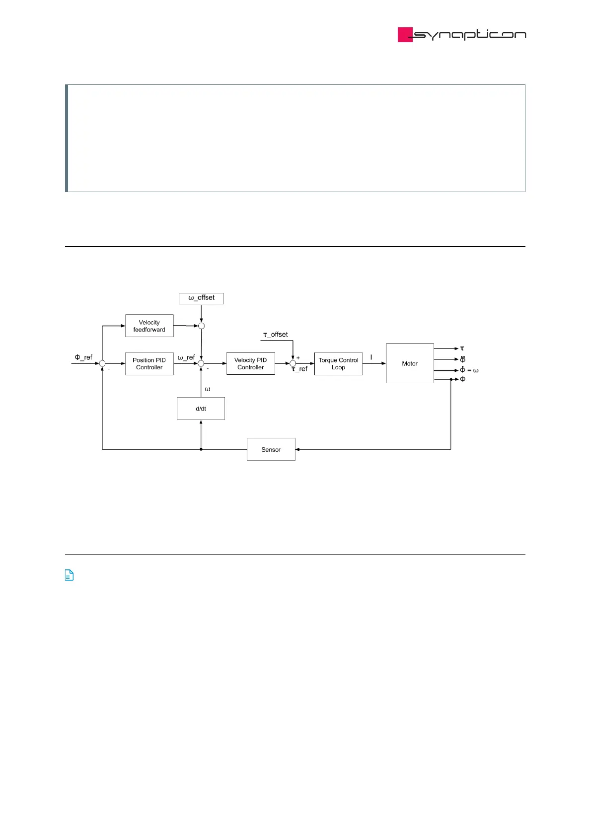
3.1.8.3.6.2 Using a velocity offset additionally
Additionally, a velocity offset can be added to the control loop for even faster movements with high dynamic.
Click here for details for using the velocity offset.
3.1.8.3.6.3 Object used for Velocity feed forward
0x2015 Velocity feed forward In this object the cut-off frequency of the low-pass filter and the gain are configured.
Synapticon Documentation
© 2021 Synapticon GmbH | Daimlerstraße 26 | D-71101 Schönaich Documentation v 4.19.0 | Built 2022-02-01 683/1031

Table of Contents

Related product manuals