EasyManua.ls Logo

SYNAPTICON SOMANET Circulo 7 - Velocity Control Loop

Default Icon
1031 pages
Print Icon
To Next Page IconTo Next Page
To Next Page IconTo Next Page
To Previous Page IconTo Previous Page
To Previous Page IconTo Previous Page
Loading...
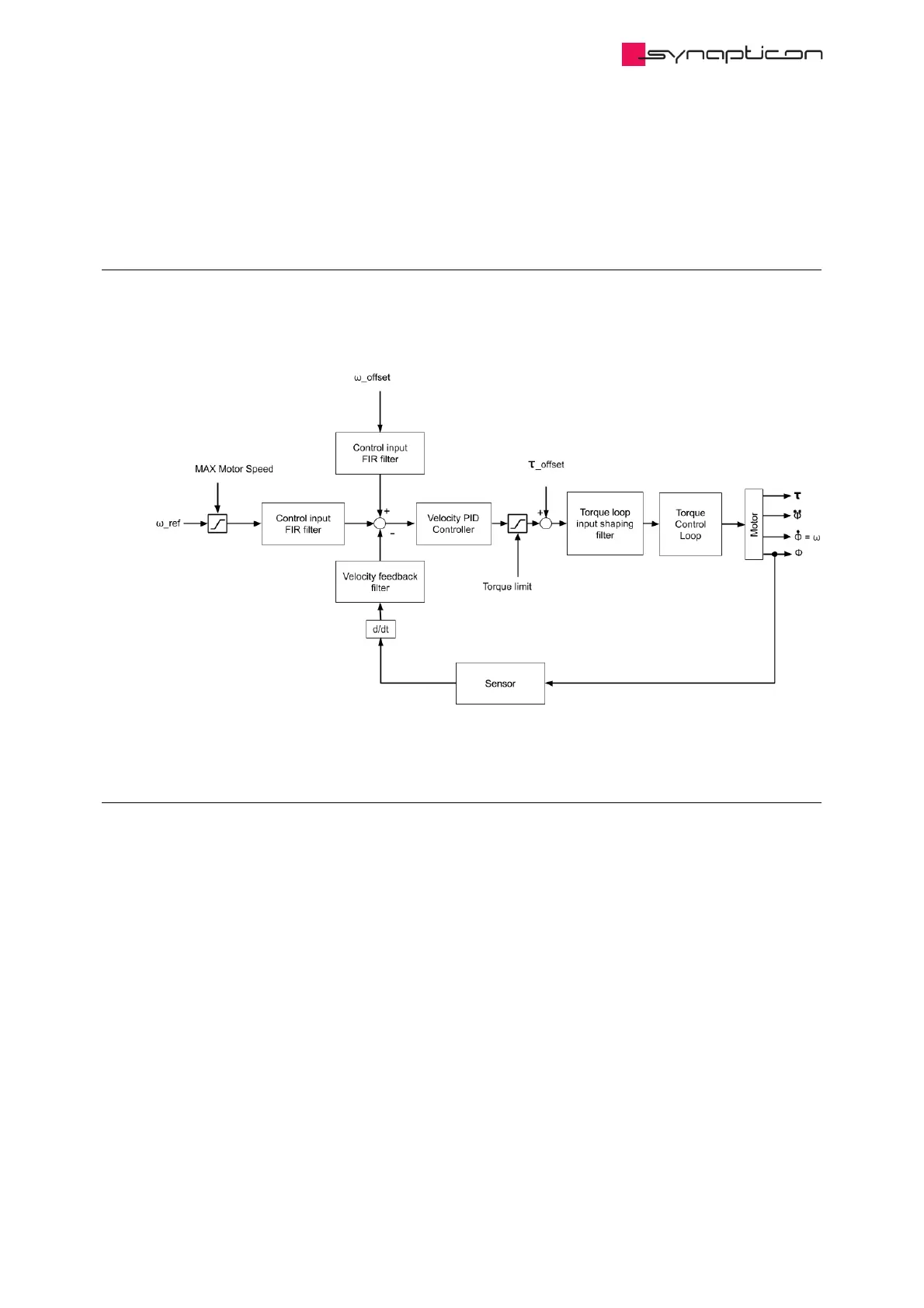
3.1.8.1.2 Velocity Control Loop
General View
Detail View
Synapticon Documentation
© 2021 Synapticon GmbH | Daimlerstraße 26 | D-71101 Schönaich Documentation v 4.19.0 | Built 2022-02-01 615/1031

Table of Contents

Related product manuals