EasyManua.ls Logo

SYNAPTICON SOMANET Circulo 7 - Page 290

Default Icon
1031 pages
Print Icon
To Next Page IconTo Next Page
To Next Page IconTo Next Page
To Previous Page IconTo Previous Page
To Previous Page IconTo Previous Page
Loading...
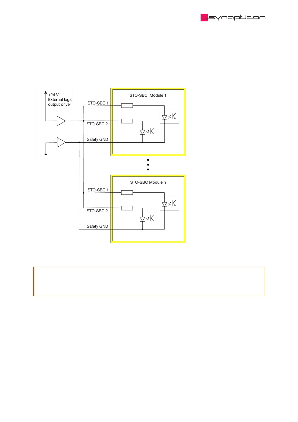
1.5.1.4.2.1.5 Safety PLC PM (Plus-Minus output) + multiple drives
Allows safety functions up to SIL 3, PL e, cat.3.
Attention
In case of multiple drive connection, ensure that the output driver has sufficient current driving
capability.
Synapticon Documentation
© 2021 Synapticon GmbH | Daimlerstraße 26 | D-71101 Schönaich Documentation v 4.19.0 | Built 2022-02-01 290/1031

Table of Contents

Related product manuals