EasyManua.ls Logo

SYNAPTICON SOMANET Circulo 7 - Page 687

Default Icon
1031 pages
Print Icon
To Next Page IconTo Next Page
To Next Page IconTo Next Page
To Previous Page IconTo Previous Page
To Previous Page IconTo Previous Page
Loading...
Detail View
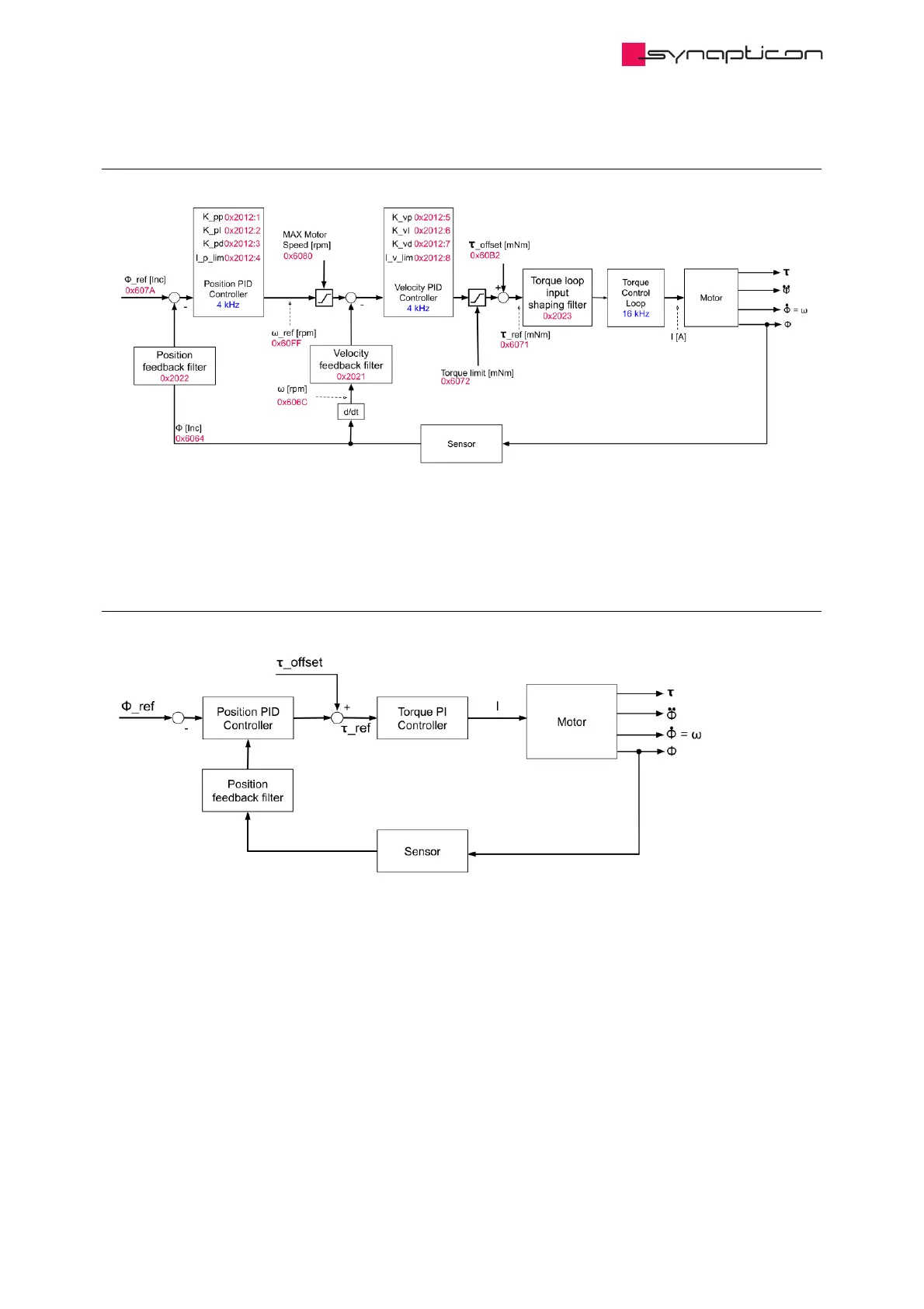
The position feedback filter can also be used with a simple PID loop:
General View
Synapticon Documentation
© 2021 Synapticon GmbH | Daimlerstraße 26 | D-71101 Schönaich Documentation v 4.19.0 | Built 2022-02-01 687/1031

Table of Contents

Related product manuals