EasyManua.ls Logo

TAJIMA TWMX-C - Electrical System Diagram; Single-Head Machine

TAJIMA TWMX-C
268 pages
Print Icon
To Next Page IconTo Next Page
To Next Page IconTo Next Page
To Previous Page IconTo Previous Page
To Previous Page IconTo Previous Page
Loading...
245
1
2
3
4
5
6
7
8
9
10
11
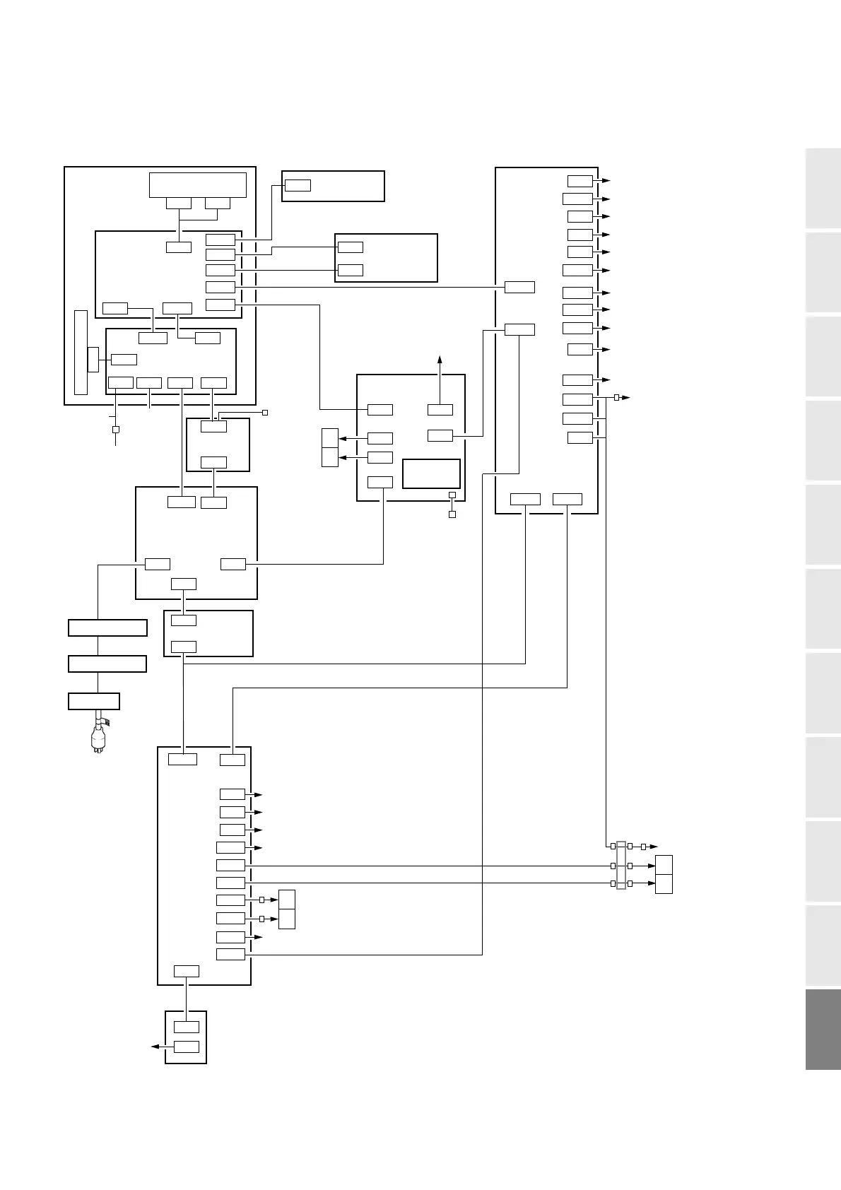
3. Electrical system diagram
3-1. Single-head machine
CN3
CN2
CN6
CN1
CN9
CN7
CN15CN22
CN13
CN24
CN10
CN1
CN2
CN7
CN7
CN3
CN5
CN6
CN10
CN16
CN15
CN18
CN17
CN11
CN20
CN9
CN1
Emergency
stop switch
5 V, 12 V
power supply
Power supply card
Head card
Upper thread holding motor
Jump motor
Sequin motor (L)
Upper thread lock
Position marker
TC sensor card
24 V power supply
Tension base card
Main shaft fixed
position sensor
Main shaft
driver
Machine card
Driver
CPU card
CN2
CN12
Main shaft
sensor
CN1
CN7
CN9
CN6 CN5 CN2
Operation panel
Switch card
Capacitor card
CN1
LCD panel
J1
J26
CPU card
CN7
CN6
CN1
J5
CN2
E
CN3
Needle Base LED
Lamp
E
CN2
CN1
CN4
CN25
CN26
CN27
CN10
CN11
CN19
CN16
CN3
ATH motor
Color change motor
Color change potentiometer
Picker solenoid
Sequin air valve L (OP)
Sequin air valve R (OP)
Start/stop switch
Sequin motor (R)
Sequin air sensor (OP)
CN31
ATH knife retracting sensor
*Turn on JP2-5
CN9
Y-axis origin (Auto clamp frame)
(OP)
CN8
Y-axis origin sensor
X-axis origin sensor
CN1
CN1
Main shaft
motor
Y-axis motor
Y-axis sensor
X-axis motor
X-axis sensor
Switch
CN2
J13
J5
J24
J7
J6
USB connector
card
CN2
USB
I/F connector
card
CN2
CN4
LAN
USB
Noise filter
Terminal base
Breaker
CN2
USB
USB
UO03

Table of Contents

Related product manuals