EasyManua.ls Logo

TAJIMA TWMX-C - TFMX-Llc TYPE-2, TFMX (L)

TAJIMA TWMX-C
268 pages
Print Icon
To Next Page IconTo Next Page
To Next Page IconTo Next Page
To Previous Page IconTo Previous Page
To Previous Page IconTo Previous Page
Loading...
246
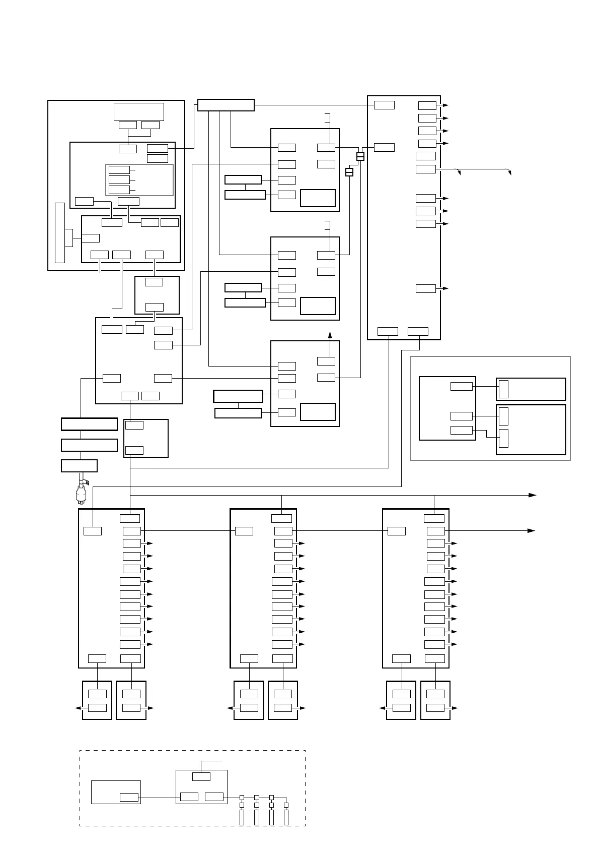
3-2. TFMX-llC TYPE-2, TFMX (L)
Limit switch is equipped only to L-spec. machine.
USB hub card
Power supply card
Breaker
Head card
TC sensor
card
Tension base card
X motor
Machine card
ATH solenoid
ATH sensor
Color change motor
Color change potentiometer
Picker solenoid
1st to the last head
Sequin air valve L (OP)
Sequin air valve R (OP)
Sequin air sensor (OP)
X encoder
1H/2H
Head card
3H/4H
Head card
5H/6H
1H 2H 3H 4H 5H 6H
Main shaft motor
X driver
Y driver
Main shaft driver
Main shaft fixed position sensor
Start/stop (bar) switch
To the next head card
To the next head card
Limit switch
Origin sensor
Main shaft sensor
CN2
CN4CN1
CN9
CN3
CN12
CN8
CN3
CN5
CN6
CN7
CN10
CN21
CN19
CN18
CN16
CN11
CN20CN9
CN1 CN1
CN2 CN2
CN3
CN1
CN2
CN6
CN9
CN7
CN3
CN1
CN2
CN6
CN9
CN7
CN3
CN1
CN2
CN6
CN9
CN7
CN22 CN15
CN11
CN10
CN27
CN26
CN25
CN14
CN13
CN4
CN1
CN24
CN9
CN2
CN12
CN8
CN3
CN5
CN6
CN7
CN10
CN21
CN19
CN18
CN16
CN11
CN20CN9
CN1 CN1
CN2 CN2
CN12
CN8
CN3
CN5
CN6
CN7
CN10
CN21
CN19
CN18
CN16
CN11
CN20CN9
CN1 CN1
CN2 CN2
Operation panel
Noise filter
Terminal base
Driver
CPU card
Y motor
Y encoder
Driver
CPU card
Driver
CPU card
Origin sensor
Upper thread holding motor
Jump motor
Sequin motor L/R
Upper thread lock
Upper thread lock
Sequin motor L/R
Jump motor
Upper thread holding motor
Position marker
Upper thread holding motor
Jump motor
Sequin motor L/R
Upper thread lock
Upper thread lock
Sequin motor L/R
Jump motor
Upper thread holding motor
Position marker
Upper thread holding motor
Jump motor
Sequin motor L/R
Upper thread lock
Upper thread lock
Sequin motor L/R
Jump motor
Upper thread holding motor
Position marker
Tension base card Tension base card
TC sensor
card
TC sensor
card
TC sensor
card
TC sensor
card
TC sensor
card
CN1
CN7
CN9
CN6
CN5
CN2
Switch card
Capacitor card
CN1
LCD panel
J1
J26
CPU card
CN7
Emergency
stop switch
5 V, 12 V
power supply
CN2
CN10
CN1
CN6
CPU card
CN2
J6
card
[A]
J5
CN2
J13
Limit switch
To right in
the middle
[A]
Power supply
card
CN8
24 V power supply
CN1
CN2
CN4
Switch card CN3
LED
LED
LED
LED
LED light
CN3
CN8
24 V power
supply
CN1
CN2
CN1
J6
J7
J24
USB connector
USB
CN2
J7
J24
LAN
CN4
USB
card
I/F connector
USB
J5
UO03

Table of Contents

Related product manuals