EasyManua.ls Logo

AMP EFI MS3Pro - Knock Input; Digital I;O Channels; Barometric Pressure Input; Outputs

AMP EFI MS3Pro
305 pages
Print Icon
To Next Page IconTo Next Page
To Next Page IconTo Next Page
To Previous Page IconTo Previous Page
To Previous Page IconTo Previous Page
Loading...
3.3 Outputs 3 MS3PRO HARDWARE
3.2.7 Knock input
The MS3Pro employs a DSP based knock sensor interface chip. This can use either one or two knock sensors,
and incorporates a built in, software adjustable bandpass filter. The interface allows you to adjust the triggering
threshold as a function of RPM and detect knock only at specific crank angles so as to filter out noise occurring
when the piston is in a position where it can’t possibly be detonating. The MS3Pro supports cylinder by cylinder
knock detection and can identify which cylinder is knocking by crank angle.
3.2.8 Digital I/O channels
se an on/off switch to ground to trigger the digital switched inputs. The Digital Switched 12V In line is triggered by
12 volts instead. There are also three digital frequency inputs capable of receiving high frequency signals, which
can be used for speed inputs, frequency based MAF or MAP sensors, or a number of other functions.
Digital frequency inputs have a cutoff frequency of 160 kHz. The cutoff on digital switched inputs is 16 kHz.
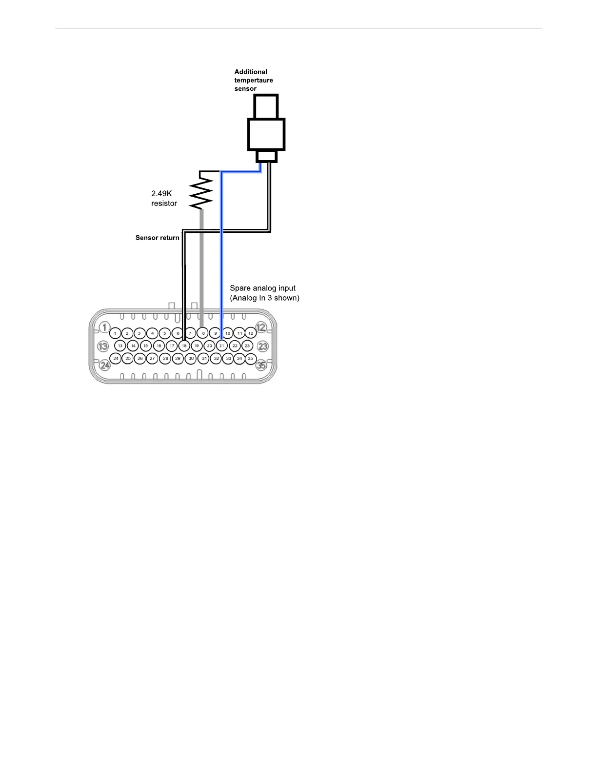
3.2.9 Barometric pressure input
To use a barometric pressure sensor with the MS3Pro, connect it to any unused analog input.
3.3 Outputs
3.3.1 Injector outputs
The injector outputs are limited to 5 amps per channel, with thermal shutdown protection. These can drive one or
two high impedance injectors on each output, but will not directly run low impedance injectors. We recommend our
AMP EFI MS3Pro manual version 1.202, firmware 1.5.0, 4/21/2017 Page 25

Table of Contents