EasyManua.ls Logo

GE Voluson P6 - 10-8-5 Enclosure Leakage Current Test; 10-8-5-1 Definition; 10-8-5-2 Generic Procedure

GE Voluson P6
553 pages
Print Icon
To Next Page IconTo Next Page
To Next Page IconTo Next Page
To Previous Page IconTo Previous Page
To Previous Page IconTo Previous Page
Loading...
GE HEALTHCAREDRAFT VOLUSON® P8 / VOLUSON® P6
DIRECTION 5459672-100, R
EVISION 6 DRAFT (JANUARY 17, 2013) PROPRIETARY SERVICE MANUAL
Chapter 10 - Care & Maintenance 10-21
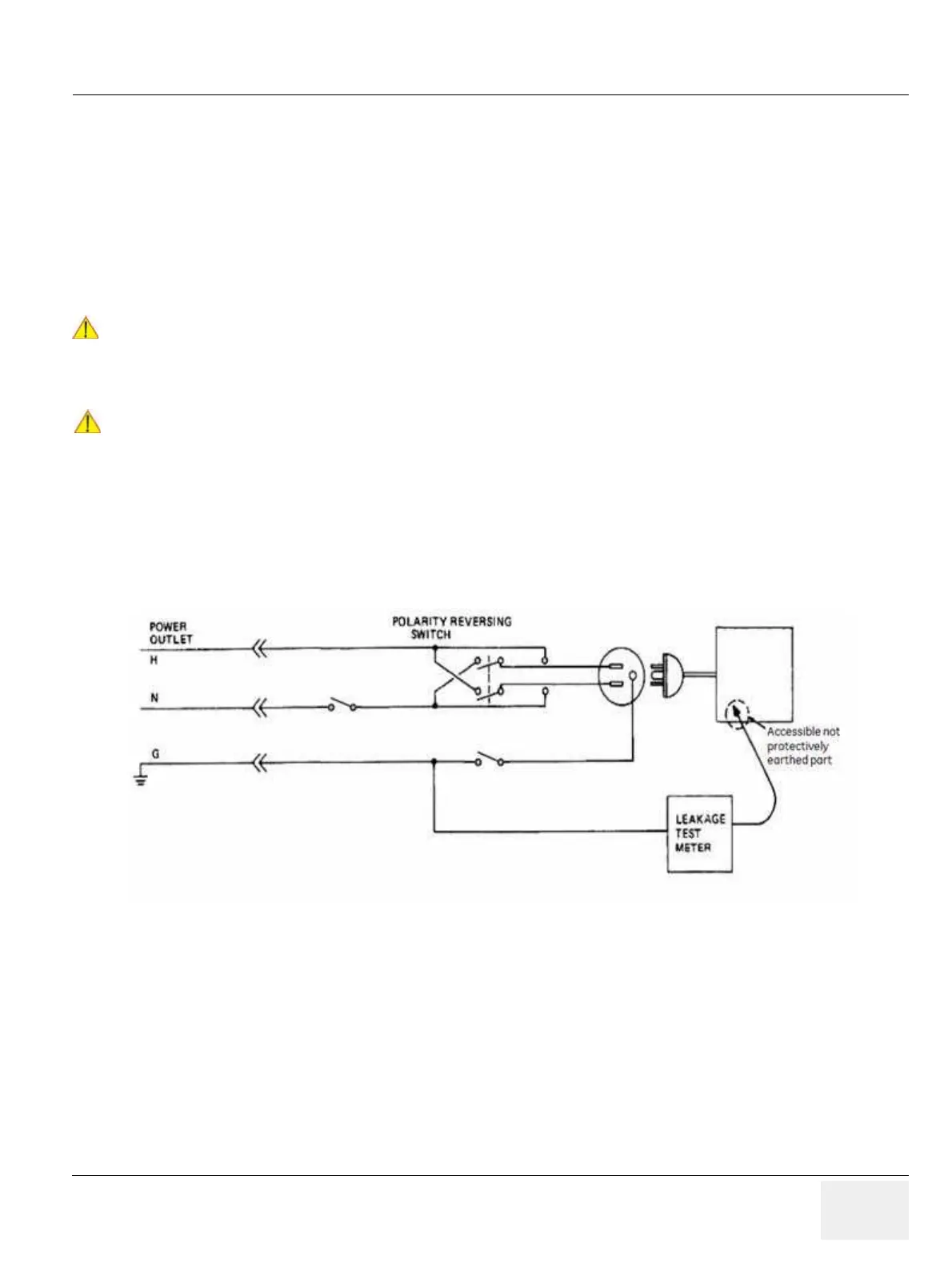
10-8-5 Enclosure Leakage Current Test
10-8-5-1 Definition
This test measures the current that would flow in a grounded person who touched accessible non-
protectively-earthed parts of equipment if the ground wire were to break. The test verifies the isolation
of the power line from the chassis.
The meter is connected from accessible non-protectively-earthed parts of the case to ground.
Measurements should be made with the ground open and closed, with power line polarity normal and
reversed, and with the neutral open and closed. Record the highest reading.
10-8-5-2 Generic Procedure
The test verifies the isolation of the power line from the enclosure. The testing meter is connected from
accessible non-protectively-earthed parts of the case to ground. Measurements should be made with
the ground open and closed, with power line polarity normal and reversed, and with the neutral open
and closed. Record the highest reading of current.
NOTE: Color of Power outlet cable
i)USA and Canada
Hot : Black
Neutral : White
Ground : Green or Green-yellow
DANGER
!! DANGER:
Electric Shock Hazard.
When the meter's ground switch is OPEN, DO NOT not touch the unit!
CAUTION
!! CAUTION:
Equipment damage possibility. Never switch the Polarity and the status of Neutral when the unit
is powered ON. Be sure to turn the unit power OFF before switching them using the POLARITY
switch and/or the NEUTRAL switch. Otherwise, the unit may be damaged.
Figure 10-3 Set Up for Test of Enclosure Leakage Current, IEC 60601-1 Clause 19

Table of Contents

Other manuals for GE Voluson P6

Related product manuals