EasyManua.ls Logo

Hioki LR8450 - Page 412

Hioki LR8450
425 pages
Print Icon
To Next Page IconTo Next Page
To Next Page IconTo Next Page
To Previous Page IconTo Previous Page
To Previous Page IconTo Previous Page
Loading...
407
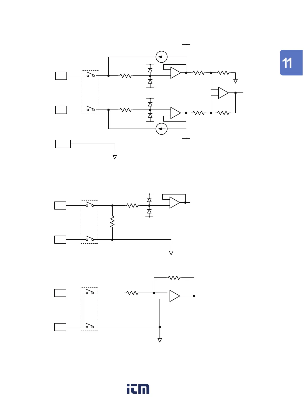
Input Circuit Schematics
Resistance temperature detector (3-wire)
SoL
Channel switching relay
Constant-current
circuit
Constant-current
circuit
SoL terminal is common
to all channels.
Analog input circuit: U8553, LR8533
Voltage (100 mV f.s. to 2 V f.s. ranges)
Channel switching relay
1 M
Ω
Voltage (10 V f.s. to 100 V f.s. ranges)
Channel switching relay
1 M
Ω
10 k
Ω
Knowledge and Information
HIOKI LR8450A964-03
w ww . . co m
information@itm.com1.800.561.8187

Table of Contents

Other manuals for Hioki LR8450

Related product manuals