EasyManua.ls Logo

Komatsu PC2000-8 - Page 373

Komatsu PC2000-8
504 pages
Print Icon
To Next Page IconTo Next Page
To Next Page IconTo Next Page
To Previous Page IconTo Previous Page
To Previous Page IconTo Previous Page
Loading...
MAINTENANCE MAINTENANCE PROCEDURE
4-55
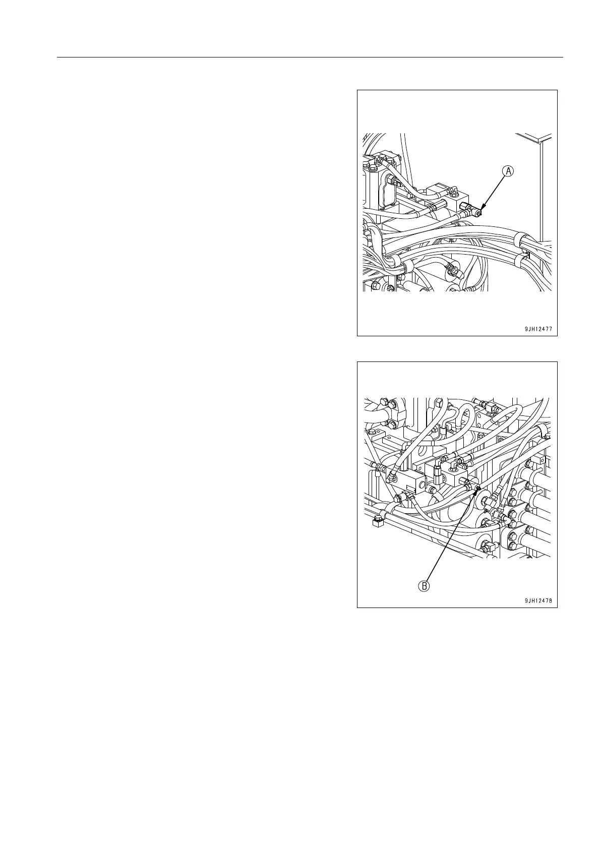
1. Start up the engine and loosen bleeder (A) and (B).
A bleeder is fitted to pilot selector valve (1) and (2) one
each.
2. Operate arm DIGGING and bucket DIGGING or arm DIG-
GING and DUMPING simultaneously while keeping the
engine running at low idling, check that oil free of air bub-
bles begins to flow out of bleeder (A) and then tighten
bleeder (A).
Tightening torque: 8.8 - 9.8 Nm (0.9 - 1.0 kgm)
3. Turn the swing lock switch to the ON position.
4. Operate boom RAISE and SWING simultaneously while
keeping the engine running at low idling, check that oil free
of air bubbles begins to flow out of bleeder (B) and then
tighten bleeder (B).
REMARK
Air bleeding can be achieved with fine operation of each lever
to the extent that each hydraulic switch turns on (ON lights up).

Table of Contents

Related product manuals