EasyManua.ls Logo

Komatsu PC2000-8 - Machine View Illustrations; Overall Machine View

Komatsu PC2000-8
504 pages
Print Icon
To Next Page IconTo Next Page
To Next Page IconTo Next Page
To Previous Page IconTo Previous Page
To Previous Page IconTo Previous Page
Loading...
MACHINE VIEW ILLUSTRATIONS OPERATION
3-2
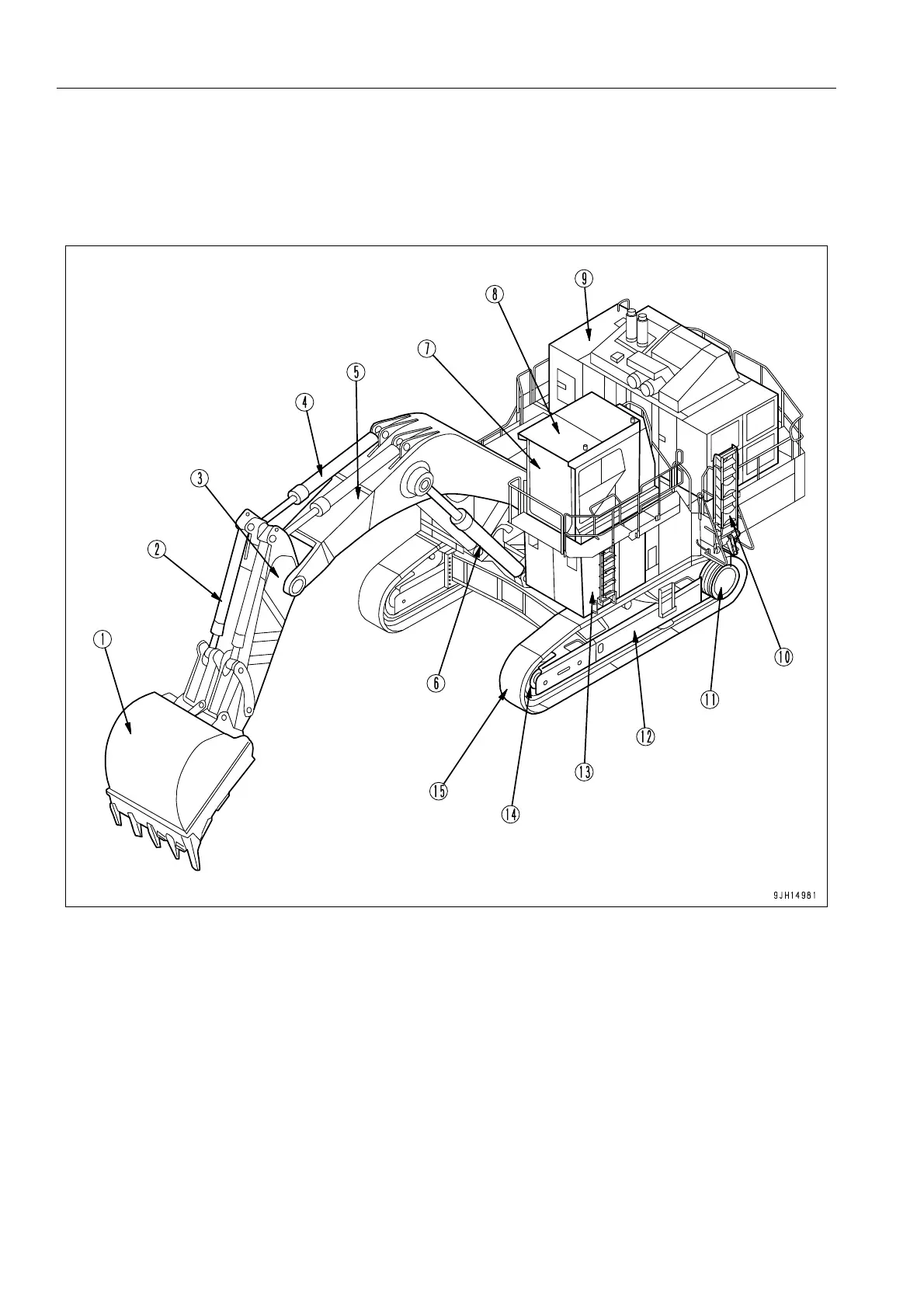
MACHINE VIEW ILLUSTRATIONS 3
OVERALL MACHINE VIEW 3
(1) Bucket (9) Power container
(2) Bucket cylinder (10) Hydraulic ladder
(3) Arm (11) Sprocket
(4) Arm cylinder (12) Track frame
(5) Boom (13) Cab base
(6) Boom cylinder (14) Idler
(7) Cab (15) Track shoe
(8) Top guard

Table of Contents

Related product manuals