EasyManua.ls Logo

Komatsu PC2000-8 - Check for Loose Clamps of Aftercooler Hose

Komatsu PC2000-8
504 pages
Print Icon
To Next Page IconTo Next Page
To Next Page IconTo Next Page
To Previous Page IconTo Previous Page
To Previous Page IconTo Previous Page
Loading...
MAINTENANCE PROCEDURE MAINTENANCE
4-98
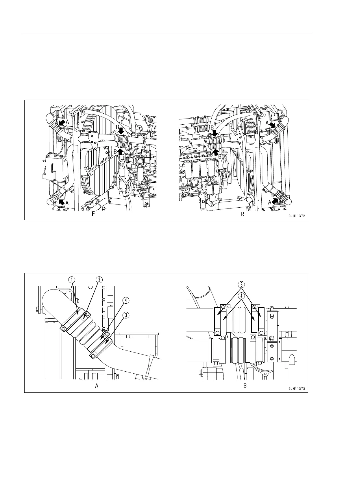
CHECK FOR LOOSE CLAMPS OF AFTERCOOLER HOSE 4
Check that the tightening torque for the aftercooler hose clamps is as specified.
q Position of clamps
q Detail of clamp portion A. and portion B
Tightening torques
Clamp (1): 24.0 - 25.0 Nm (2.45 - 2.55 kgm)
Clamp (2): 10.0 - 11.0 Nm (1.02 - 1.12 kgm)
Clamp (3): 24.0 - 25.0 Nm (2.45 - 2.55 kgm)
Clamp (4): 10.0 - 11.0 Nm (1.02 - 1.12 kgm)
F: Area around radiator at front of engine R: Area around oil cooler at rear of engine
(right side of machine) (left side of machine)

Table of Contents

Related product manuals