EasyManua.ls Logo

Komatsu PC2000-8 - HANDLING FUEL QUICK CHARGE

Komatsu PC2000-8
504 pages
Print Icon
To Next Page IconTo Next Page
To Next Page IconTo Next Page
To Previous Page IconTo Previous Page
To Previous Page IconTo Previous Page
Loading...
HANDLING FUEL QUICK CHARGE ATTACHMENTS AND OPTIONS
6-6
HANDLING FUEL QUICK CHARGE 6
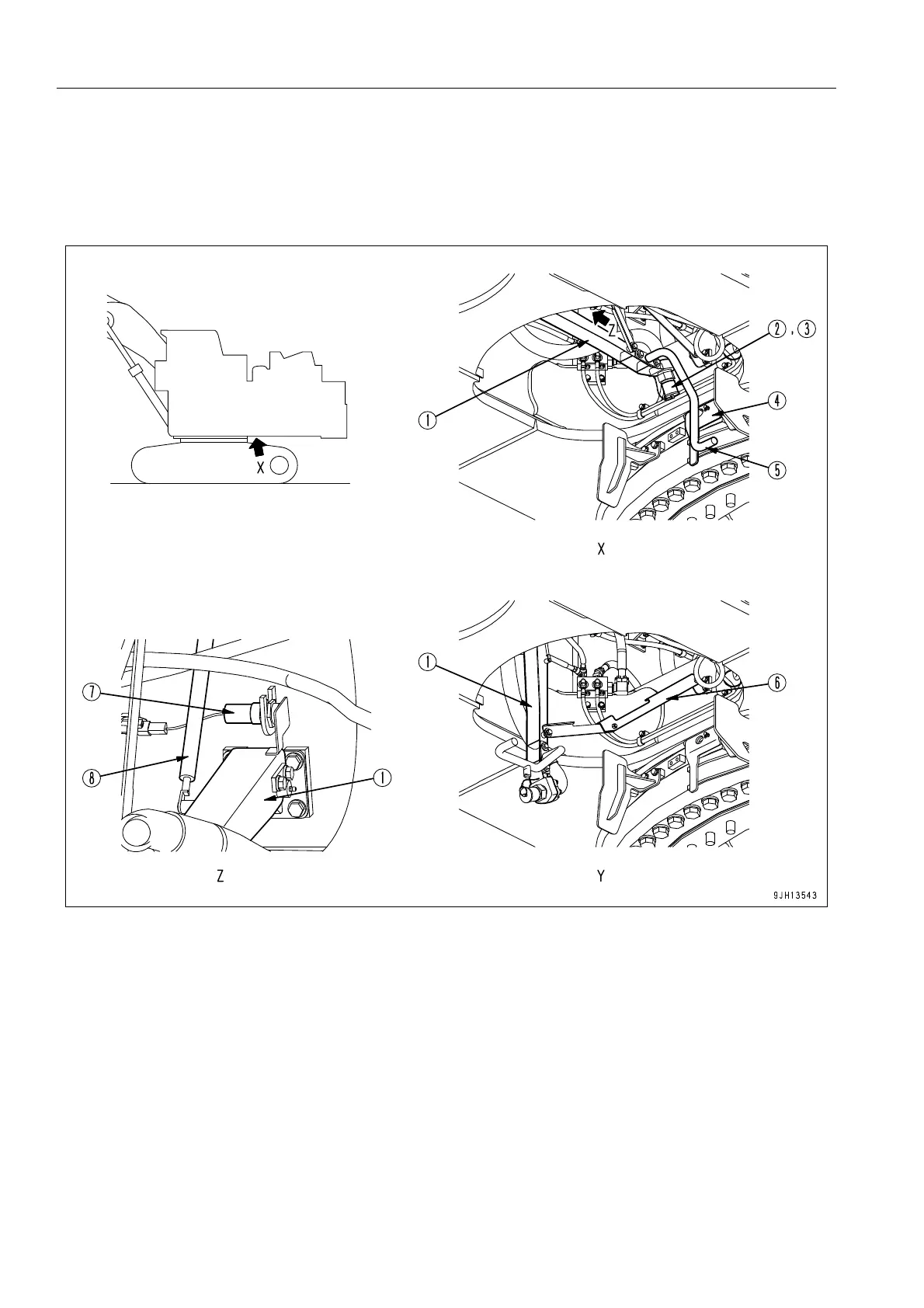
GENERAL LOCATIONS 6
*1: When adding oil through this oil filler port, an oil filler pump unit and nozzle (Wiggins- made ZZ9A1 or an equiv-
alent) are required.
X Position for stowing fuel quick charge lever (4) Lock plate
Y Position for adding fuel to fuel quick charge lever (5) Lever operating handle
(1) Fuel quick charge lever (6) Stopper
(2) Fuel filler port (Wiggins ZN2B) *1 (7) Proximity switch
(3) Fuel filler cap (8) Shock absorber

Table of Contents

Related product manuals