EasyManua.ls Logo

Komatsu PC2000-8 - Page 381

Komatsu PC2000-8
504 pages
Print Icon
To Next Page IconTo Next Page
To Next Page IconTo Next Page
To Previous Page IconTo Previous Page
To Previous Page IconTo Previous Page
Loading...
MAINTENANCE MAINTENANCE PROCEDURE
4-63
3. Put a container to catch drain water under drain hose pro-
vided in the lower part of the revolving frame.
4. Loosen water drain plug (1) to drain fuel in the casing.
If the fuel cannot be drained, remove air intake plug (2).
[Width across flats: 14 mm (0.6in)]
The fuel will drain from water drain plug (1).
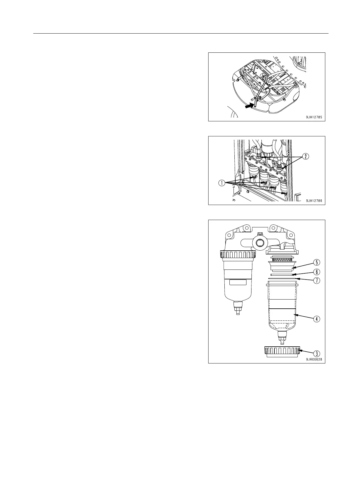
5. Loosen the ring nut (3), then remove case (4).
6. Pull screen (5) down to remove it from the water separator
holder.
7. Wash screen (5) in clean fuel.
Check screen (5) and replace it if it is damaged.
8. Wash the inside of case (4) with clean fuel.
Check case (4). If it is scratched or damaged, or so dirty
that the position of float (6) cannot be checked, replace
case (4).
9. Install screen (5) to the water separator holder.
10. Replace O-ring (7) with a new part.
11. Tighten plug (1), insert case (4) so that float (6) is not at an
angle, then fill case (4) carefully with clean fuel.
Tightening torque: 1.5 - 2.5 Nm (0.15 - 0.25 kgm)
12. Install case (4) to the water separator holder, then tighten
ring nut (3).
Tightening torque: 16 - 20 Nm (1.6 - 2.0 kgm)
13. Tighten air intake plug (2).
Tightening torque: 8.0 - 12.0 Nm (0.8 - 1.2 kgm)
14. Push down fuel shut-off lever (A) to open the fuel supply
circuit.
15. After completing the inspection and maintenance, bleed
the air. Use the same procedure as when replacing the fuel
filter cartridge.
For details of the method of bleeding the air, see “Bleeding
air from fuel circuit with the electric priming pump (4-47)“.

Table of Contents

Related product manuals