EasyManua.ls Logo

Siemens SINUMERIK 828D

Siemens SINUMERIK 828D
1799 pages
To Next Page IconTo Next Page
To Next Page IconTo Next Page
To Previous Page IconTo Previous Page
To Previous Page IconTo Previous Page
Loading...
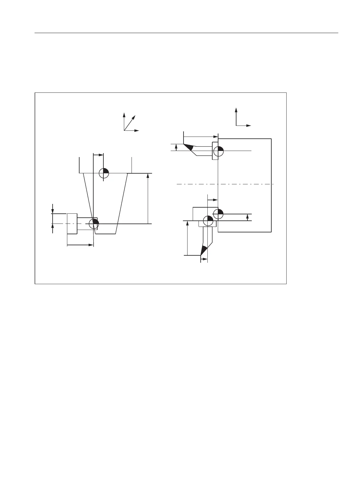
W1: Tool offset
18.4 Tool cutting edge
Basic Functions
Function Manual, 09/2011, 6FC5397-0BP40-2BA0
1455
The tool and the tool adapter are measured separately but are installed on the machine in one unit (the tool
size and adapter size are entered separately in a cutting edge).
The tool is used in a second tool fixture located in another position (e.g. vertical and horizontal spindle).
The tool fixtures of a tool turret are located at different positions.
Figure 18-8 Application examples for base-dimension/adapter-dimension TLC
Tool basic length 1 to 3 (tool parameters 21 to 23)
In order that the discrepancy between the toolholder reference point F and the toolholder reference point F' can
be corrected on the three geometry axes (three dimensional), all 3 basic lengths are active irrespective of the tool
type. In other words, a twist drill (tool type 200) with a tool length compensation (length 1) can also have a tool
base dimension/adapter dimension in 3 axes.
References
Please refer to the following documentation for more information about base-dimension/adapter-dimension tool
length compensation:
Programming Manual, Fundamentals
/HQJWK
/HQJWK
7XUQLQJFHQWHU
/HQJWK
/HQJWK
)7RROKROGHUUHIHUHQFHSRLQWV
)7RROKROGHUUHIHUHQFHSRLQWV
7RROEDVH
GLPHQVLRQ
OHQJWK
7RROEDVH
GLPHQVLRQ
OHQJWK
/HQJWK
5DGLXV
0LOOLQJPDFKLQH 7XUQLQJPDFKLQH
7RROEDVH
GLPHQVLRQ
OHQJWK
7RROEDVH
GLPHQVLRQ
OHQJWK
;
=
<
)
=
;
)
)
)
)

Table of Contents

Other manuals for Siemens SINUMERIK 828D

Related product manuals