EasyManua.ls Logo

Thermo Scientific Micro-Tech 9101 - Page 110

Thermo Scientific Micro-Tech 9101
329 pages
Print Icon
To Next Page IconTo Next Page
To Next Page IconTo Next Page
To Previous Page IconTo Previous Page
To Previous Page IconTo Previous Page
Loading...
Maintenance and Troubleshooting
Opto22 Problems
4-16 Micro-Tech 9101/9201 Reference Manual, Rev J Thermo Fisher Scientific
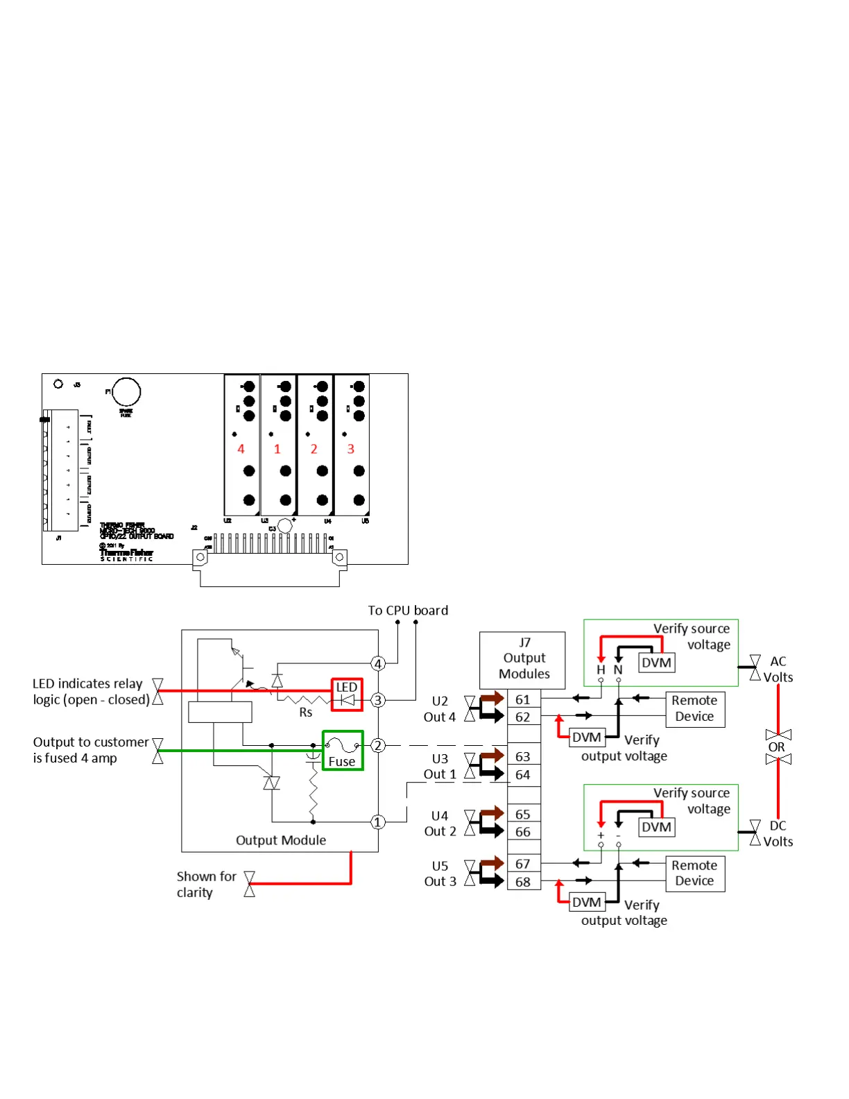
If GOODProceed to “View Opto LED” (see step 4).
If BADReplace fuse.
4. View Opto22 LED. By forcing the output open and closed, does the
LED indicate the appropriate logic condition?
If GOOD—Replace the Opto22 output module.
If BAD—Replace either the Opto22 output module or the Micro-
Tech CPU board.
Figure 4–10. Opto22 TroubleshootingOutput Module

Table of Contents

Related product manuals