EasyManua.ls Logo

Thermo Scientific Micro-Tech 9101 - Page 112

Thermo Scientific Micro-Tech 9101
329 pages
Print Icon
To Next Page IconTo Next Page
To Next Page IconTo Next Page
To Previous Page IconTo Previous Page
To Previous Page IconTo Previous Page
Loading...
Maintenance and Troubleshooting
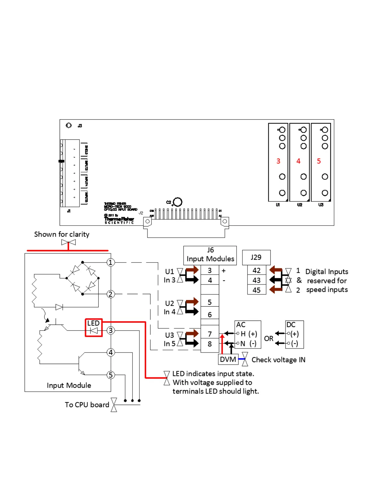
Opto22 Problems
4-18 Micro-Tech 9101/9201 Reference Manual, Rev J Thermo Fisher Scientific
3. View Opto LED. With input voltage supplied, LED should be lit.
If GOOD—Replace either the Opto22 input module or the
Micro-Tech CPU board.
If BADReplace the Opto22 input module.
Figure 4–11. Opto22 TroubleshootingInput Module

Table of Contents

Related product manuals