EasyManua.ls Logo

Fujitsu 8FX - CHAPTER 18 8;16-BIT PPG

Fujitsu 8FX
650 pages
Print Icon
To Next Page IconTo Next Page
To Next Page IconTo Next Page
To Previous Page IconTo Previous Page
To Previous Page IconTo Previous Page
Loading...
MB95630H Series
MN702-00009-2v0-E FUJITSU SEMICONDUCTOR LIMITED 283
CHAPTER 16 LOW-VOLTAGE DETECTION RESET CIRCUIT
16.2 Configuration
16.2 Configuration
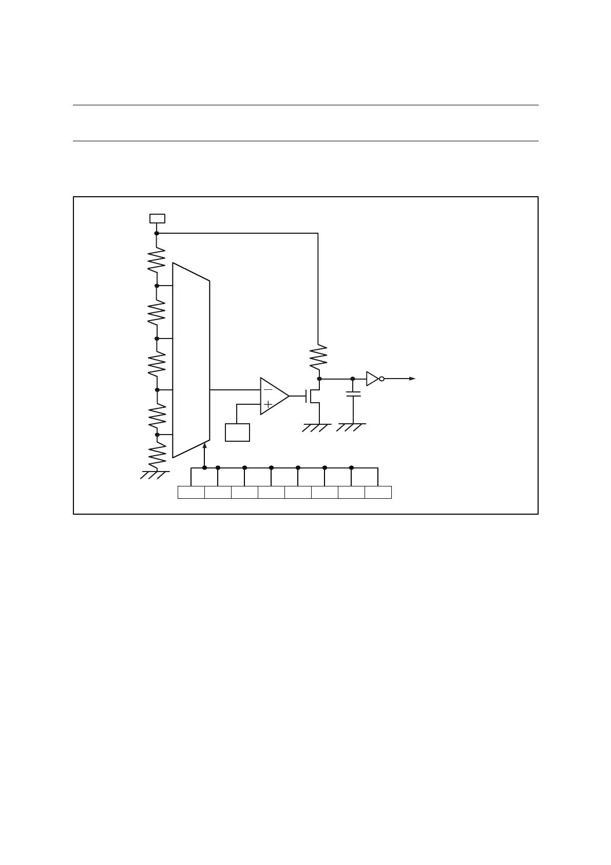
Figure 16.2-1 is the block diagram of the low-voltage detection reset circuit.
Block Diagram of Low-voltage Detection Reset Circuit
Figure 16.2-1 Block Diagram of Low-voltage Detection Reset Circuit
Reset signal
Vref
V
CC
N-ch
LVD reset voltage selection ID register (LVDR)
LVRS7 LVRS6 LVRS4LVRS3 LVRS2LVRS1LVRS0LVRS5
0xAA
0x5A
0x55
Other
values

Table of Contents

Related product manuals