EasyManua.ls Logo

Fujitsu PRIMERGY TX140 S2 - Cabling Plans

Fujitsu PRIMERGY TX140 S2
332 pages
Print Icon
To Next Page IconTo Next Page
To Next Page IconTo Next Page
To Previous Page IconTo Previous Page
To Previous Page IconTo Previous Page
Loading...
TX140 S2
Upgrade and Maintenance Manual 301
Cabling
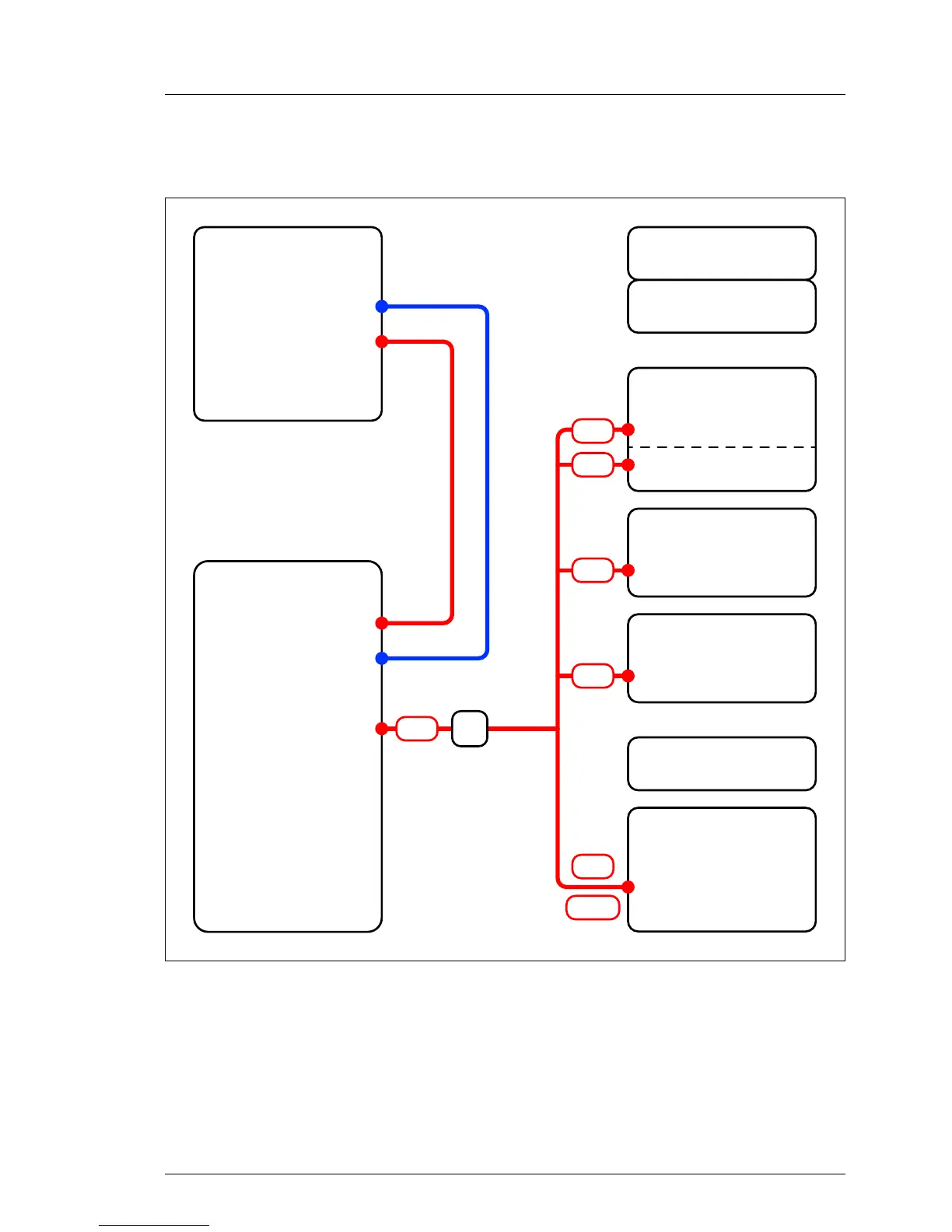
16.2 Cabling plans
Figure 201: Power cabling with standard power supply
Standard PSU
System Board D3239
PWR1
PC2009
P30
SATA POWER
FRONTPANEL
USB FRONT
SATA 5
MLC SATA 1-4
INTR
Front Panel
USB 3.0 Connectors
Drive Bay 1
SATA ODD
Slimline SATA ODD
Drive Bay 2
USB Backup Drive
Drive Bay 3
LTO 3 Backup Drive
X7
X6
HDD Backplane(s)
(1x 3.5” HDD BP)
(2x 2.5” HDD BP)
Intrusion Switch
4
P4
P9
P9/6
P1
P2/3
P5
P2/3

Table of Contents

Other manuals for Fujitsu PRIMERGY TX140 S2

Related product manuals