EasyManua.ls Logo

GE 9100c - Display Monitor Board

GE 9100c
241 pages
Print Icon
To Next Page IconTo Next Page
To Next Page IconTo Next Page
To Previous Page IconTo Previous Page
To Previous Page IconTo Previous Page
Loading...
2 Theory of Operation
M1207026 2-23
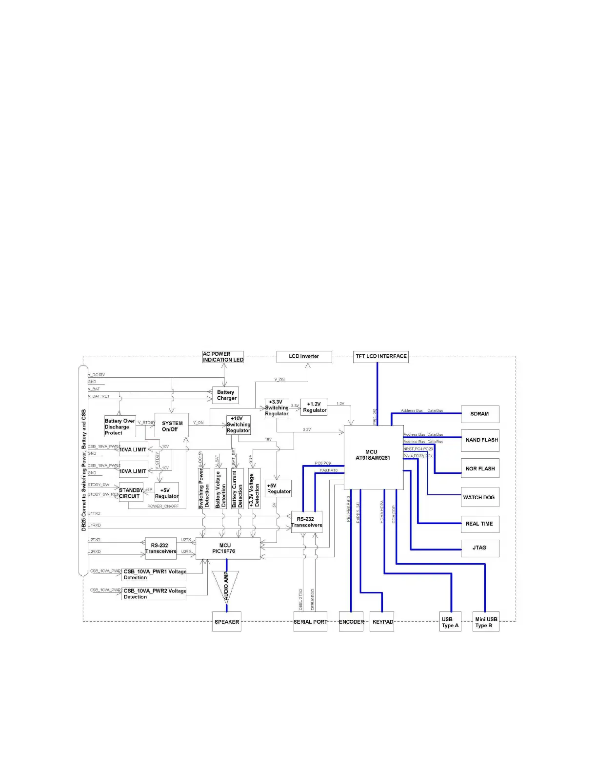
2.7.6 Display Monitor
Board
The Display Monitor Board (DMB) provides the power supply to the
Control Sample Board (CSB), and the interface to the LCD display. A
microprocessor in the DMB is used to communicate with the CSB.
It includes:
Microprocessor
Voltage regulators
RS232C serial I/O
Clocks and timers for the system
System On/Standby
Battery monitor and protect circuits
Power supply monitor
System memory
Front panel interfaces
Rotary encoder interface
Inverter interface
Universal Serial Bus (USB) interface
Alarm audio circuit
Figure 2-8 • Display Monitor Board block diagram
M1207027 004 MANUAL−DOC, Technical Reference Manual, Technical Reference Manual for 9100c, English−default
Reproduced from the electronic master in MATRIX

Table of Contents

Related product manuals