EasyManua.ls Logo

Hioki 3159 - Example of Input Signal Connection

Hioki 3159
188 pages
Print Icon
To Next Page IconTo Next Page
To Next Page IconTo Next Page
To Previous Page IconTo Previous Page
To Previous Page IconTo Previous Page
Loading...
112
_____________________________________________________________________________________________
8.1 External I/O Terminal
______________________________________________________________________________________________
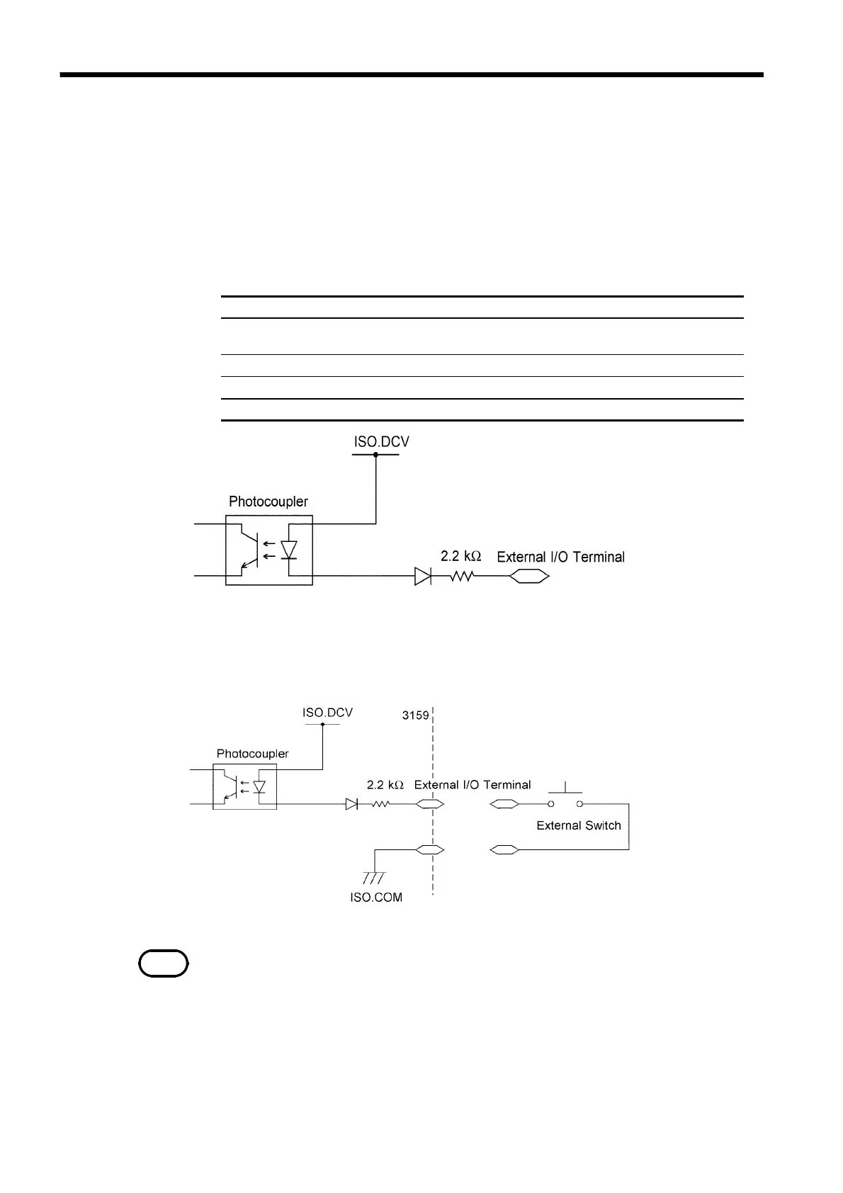
8.1.2 Example of Input Signal Connection
Input signals Active low input ( photocoupler isolated )
Max. testing withstand
voltage
30 VDC
HIGH level voltage 15 VDC or more, open
LOW level voltage 5 VDC or less ( -6 mA typ )
Input signals START, STOP, EXT-E, INTERLOCK
NOTE
For connection to the input signal, provide a circuit that protects the relay and
switch from chattering to prevent malfunctioning.
The unit can be controlled externally using the external I/O input signal.
Provide a connector that conforms to the External I/O Specifications. To
enable the external I/O signal, set the EXT-E signal (Pin 7) to LOW level.
Connect the EXT-E signal to ISO.COM for the GND signal (Pins 15 to 18),
which is insulated from the unit's internal power supply.
EXT I/O Input signals Specifications
(1) Control using the external switch (example)
To control the START and STOP signals using a relay or switch, make
connections as shown below:

Table of Contents

Other manuals for Hioki 3159

Related product manuals