EasyManua.ls Logo

Komatsu PC2000-8 - Page 368

Komatsu PC2000-8
504 pages
Print Icon
To Next Page IconTo Next Page
To Next Page IconTo Next Page
To Previous Page IconTo Previous Page
To Previous Page IconTo Previous Page
Loading...
MAINTENANCE PROCEDURE MAINTENANCE
4-50
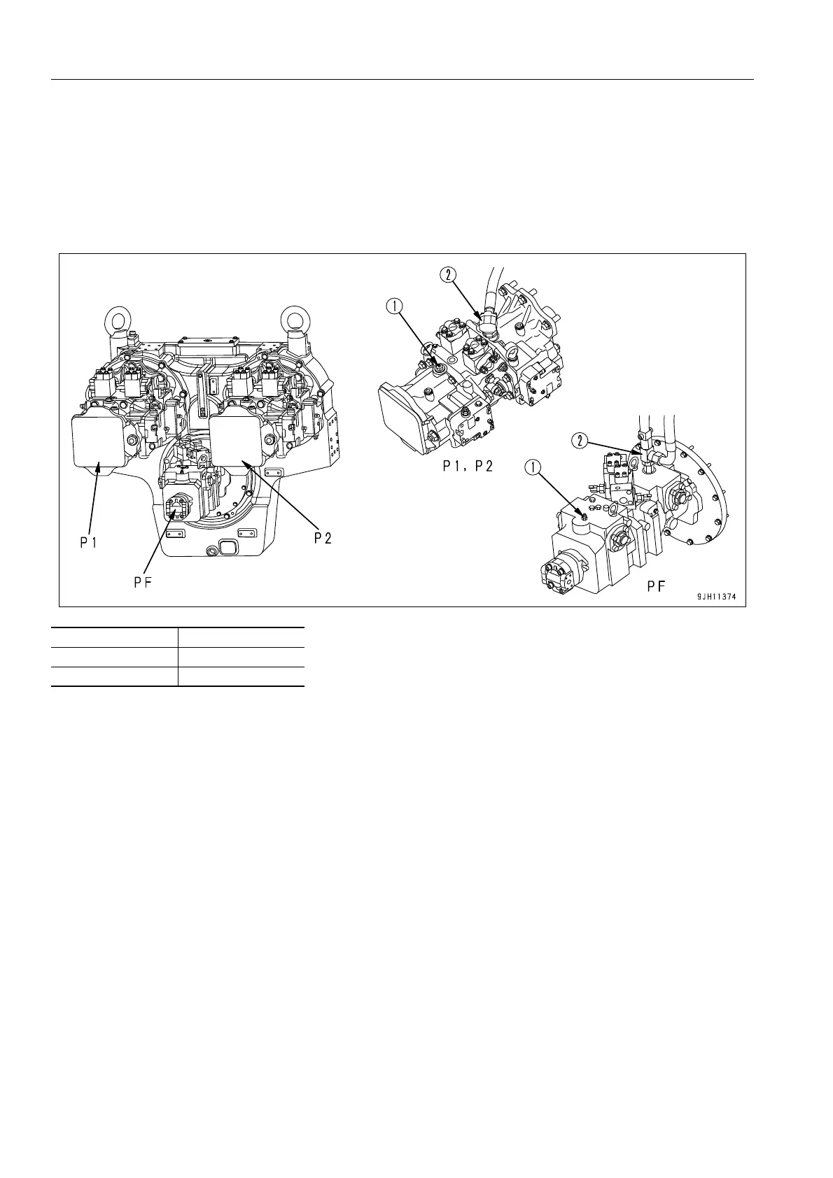
BLEEDING AIR FROM PUMP
Use the same procedure for bleeding air from the work equipment and hydraulic drive fan pumps.
When the pump has been replaced or the oil in the hydraulic tank has been changed, bleed the air from the pump
to prevent overheating of the pump.
1. Loosen air bleed plug (1) and check that oil oozes out from the air bleeder.
2. If oil does not ooze out, remove the drain hose from the pump case and fill the pump case with hydraulic oil
through drain port (2).
Oil will come out from the drain hose when it is removed, so fix the mouthpiece of the hose at a position higher
than the oil level in the hydraulic tank.
3. After completing the air bleed operation, tighten air bleed plug (1), then install the drain hose.
If the drain hose is installed first, oil will spurt out from plug (1) hole. If the pump is operated without filling
the pump case with hydraulic oil, abnormal heat will be generated and this may cause premature damage
to the pump.
Name of pump
Hydraulic pump P1, P2
Swing pump PF

Table of Contents

Related product manuals