EasyManua.ls Logo

Leviton MC24/48 - Chapter 5; Setting up the Soft Patch; What Is a Soft Patch

Leviton MC24/48
294 pages
Print Icon
To Next Page IconTo Next Page
To Next Page IconTo Next Page
To Previous Page IconTo Previous Page
To Previous Page IconTo Previous Page
Loading...
Software Version 3.05
67
CHAPTER 5:
Setting Up the Soft Patch
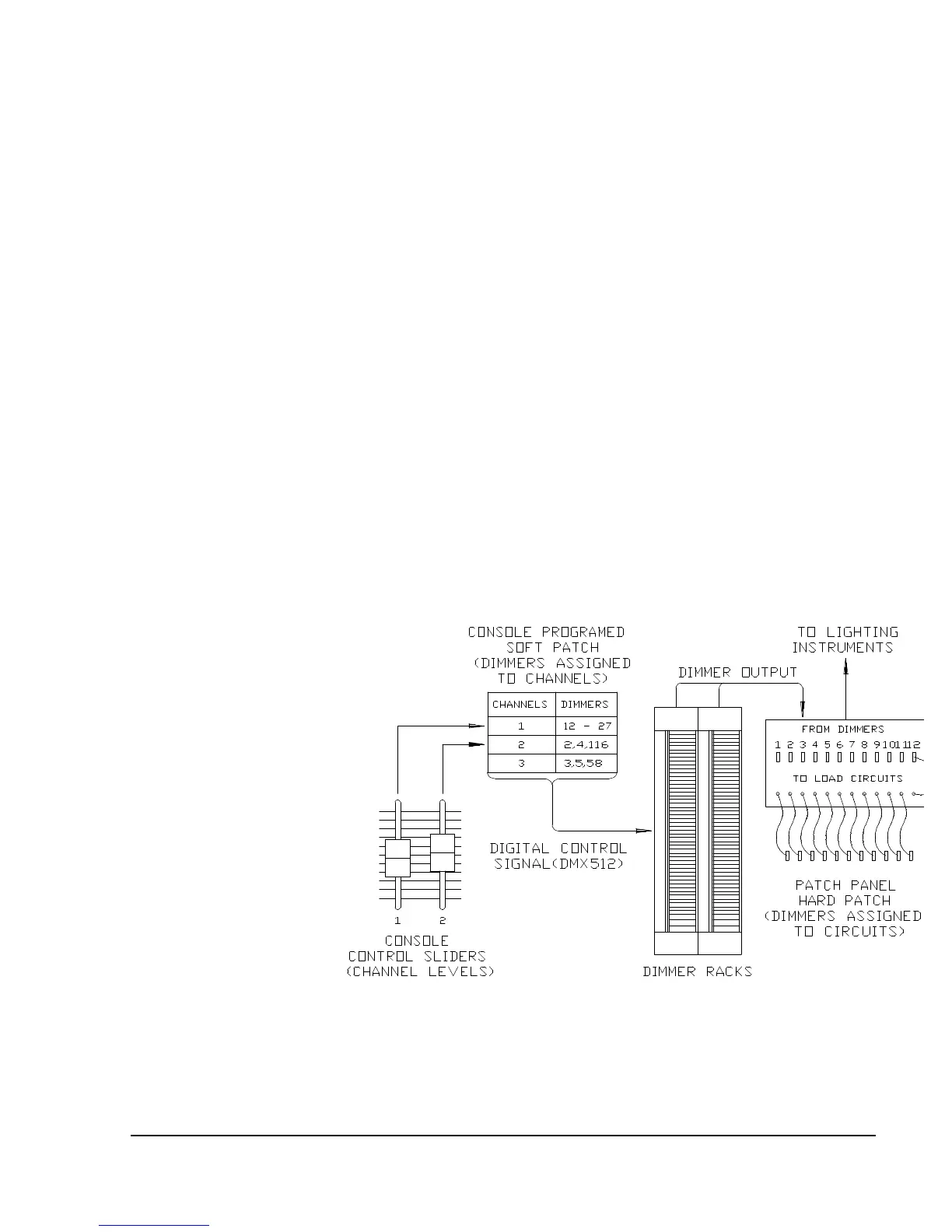
What is a Soft Patch?
The term "patch" refers to a table that shows which dimmer numbers are
controlled by which control channels. The dimmers in turn feed electrical
current into the circuits that connect to lighting instruments. In some older
lighting systems, the assignments of instruments to dimmers are altered
through a "hard" patch. A hard patch is a hard-wire method such as the
"telephone patch" or a "slider patch" used to connect a circuit to a dimmer.
Older lighting consoles have each dimmer controlled by its own slider. Newer
control consoles such as the Encore series, allow you to control a number of
dimmers with one control channel (a "soft" patch). If a theater uses a hard
patch from the circuits to the dimmers, and a console with a soft patch, there
may be an association of up to three numbers for each lighting instrument: a
circuit number, a dimmer number, and a control channel number.
Figure 5.1, Lighting Control System Functional Diagram
The Patch display is a way to "patch" a control channel to a dimmer channel.
The dimmer number may be connected to an actual dimmer, or the connection

Table of Contents

Other manuals for Leviton MC24/48