EasyManua.ls Logo

Panasonic DP-2330

Panasonic DP-2330
486 pages
To Next Page IconTo Next Page
To Next Page IconTo Next Page
To Previous Page IconTo Previous Page
To Previous Page IconTo Previous Page
Loading...
452
DP-2330/3030
MAR 2005
Ver.2.1
DP-2310/3010
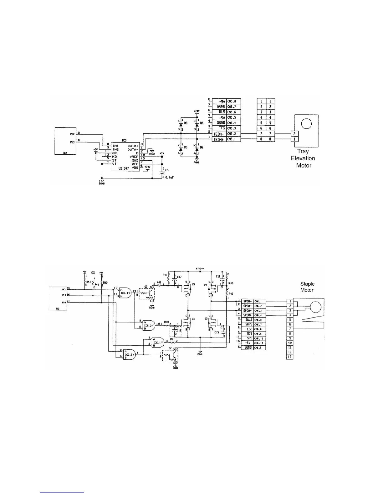
11.3.3.3. Elevation Motor Control
1. Elevation Motor, which moves Stack Tray up and down, is a +24V DC brush motor. The control circuit
is shown below.
2. It is controlled by the combination of signals from P52 and P53 of IC2 in P.C.B. (PBA-CONT). Stack
Tray is elevated when H is output from P52 and P53 respectively, and Stack Tray is descended when H
and L are output from P52 and P53 respectively.
3. Motor stops and brakes when L and H are output from P52 and P53.
11.3.3.4. Staple Motor Control
1. Staple Motor, which carries out stapling, is a +24V DC brush motor. Its control circuit is shown below.
2. It is controlled by the combination of signals from PF1, PF0 and P50 of IC2 in P.C.B. (PBA-CONT).
Stapling is done when L, L and H are output from PF1, PF0 and P50 respectively. Staple is at home
position when H, L and L are output from PF1, PF0 and P50 respectively.
3. Staple Motor stops and brakes when L, H and L are output from PF1, PF0 and P50 for forward and
reverse rotations.

Table of Contents

Other manuals for Panasonic DP-2330

Related product manuals