EasyManua.ls Logo

Panasonic DP-2330

Panasonic DP-2330
486 pages
To Next Page IconTo Next Page
To Next Page IconTo Next Page
To Previous Page IconTo Previous Page
To Previous Page IconTo Previous Page
Loading...
453
DP-2330/3030
MAR 2005
Ver. 2.1
DP-2310/3010
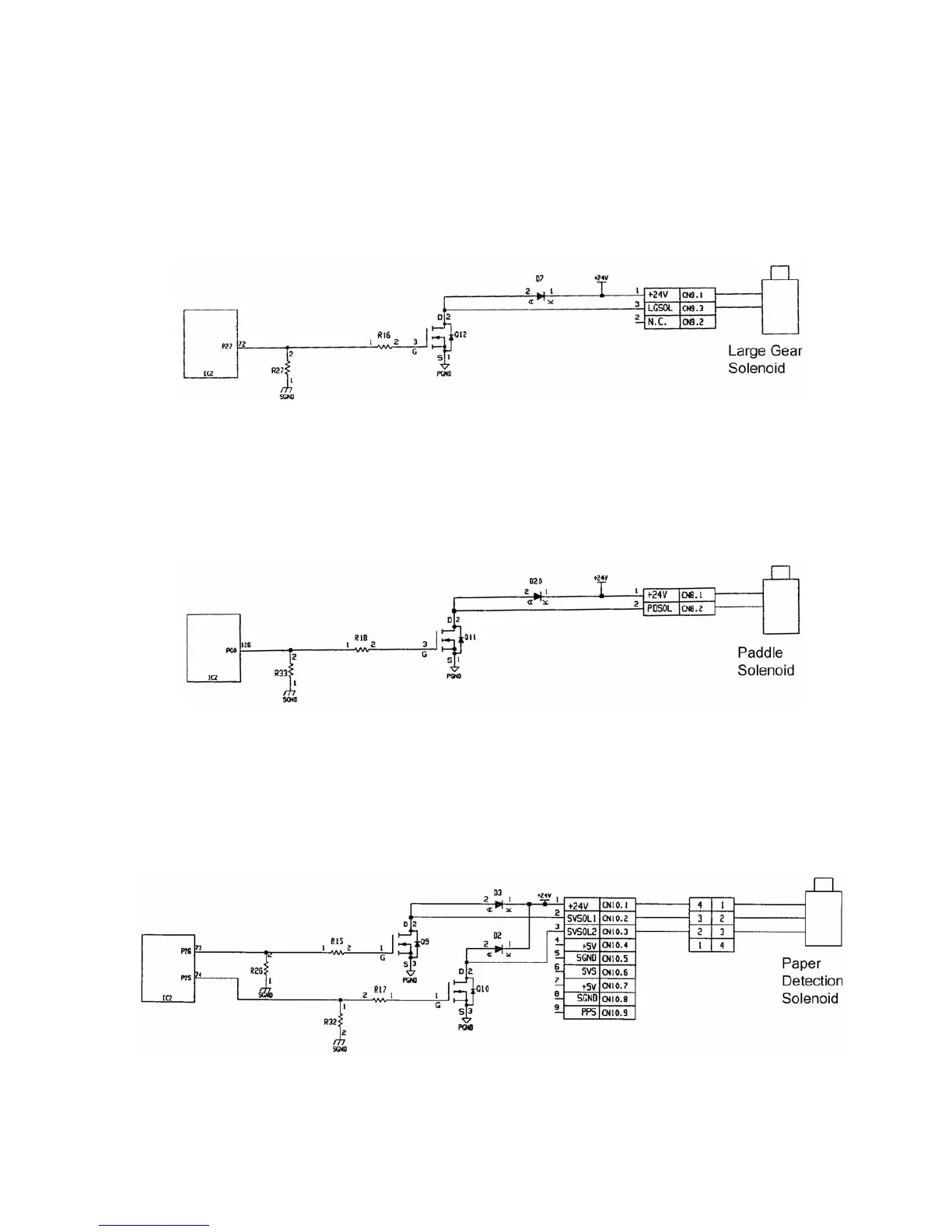
11.3.3.5. Large Gear Solenoid Control
1. An up-and-down motion of the Delivery Unit is performed by changing the drive of feed motor, which is
controlled by the Large Gear Solenoid. If the Large Gear Solenoid is turned on during rotation of the
feed motor, the Delivery Unit will move up and will be opened widely. When the Large Gear Solenoid is
turned off, the Delivery Unit will move down and will be closed.The Solenoid is driven by +24V DC. Its
control circuit is shown below.
2. It is controlled by the signal from P27 of IC2 in P.C.B. (PBA-CONT). When the P27 is H, the Large
Gear Solenoid is turned on.
11.3.3.6. Paddle Solenoid Control
1. Paddle Solenoid switches the drive of the feed motor to the Paddle, which is a Flapper typed Solenoid
and is operated by +24V DC. The control circuit is shown below.
2. Solenoid is turned ON and drives the Paddle when the signal H is transmitted from PG0 of IC2 in
P.C.B. (PBA-CONT).
11.3.3.7. Paper Detection Solenoid Control
1. A +24V DC plunger solenoid along with a paper detection lever is used for detecting the height of the
paper delivered to the Stack Tray. Its control circuit is shown below.
2. It is controlled by the signal from P26 of IC2 in P.C.B. (PBA-CONT). When the P26 is H, the Solenoid is
turned on to pull the paper detection lever inside. When the P25 is H, the Solenoid is turned off to push
the paper detection lever outside.

Table of Contents

Other manuals for Panasonic DP-2330

Related product manuals