EasyManua.ls Logo

Valtra 6550 - Page 1140

Valtra 6550
1361 pages
Print Icon
To Next Page IconTo Next Page
To Next Page IconTo Next Page
To Previous Page IconTo Previous Page
To Previous Page IconTo Previous Page
Loading...
1083
Model
No Page
24.02.1999
11
69.5
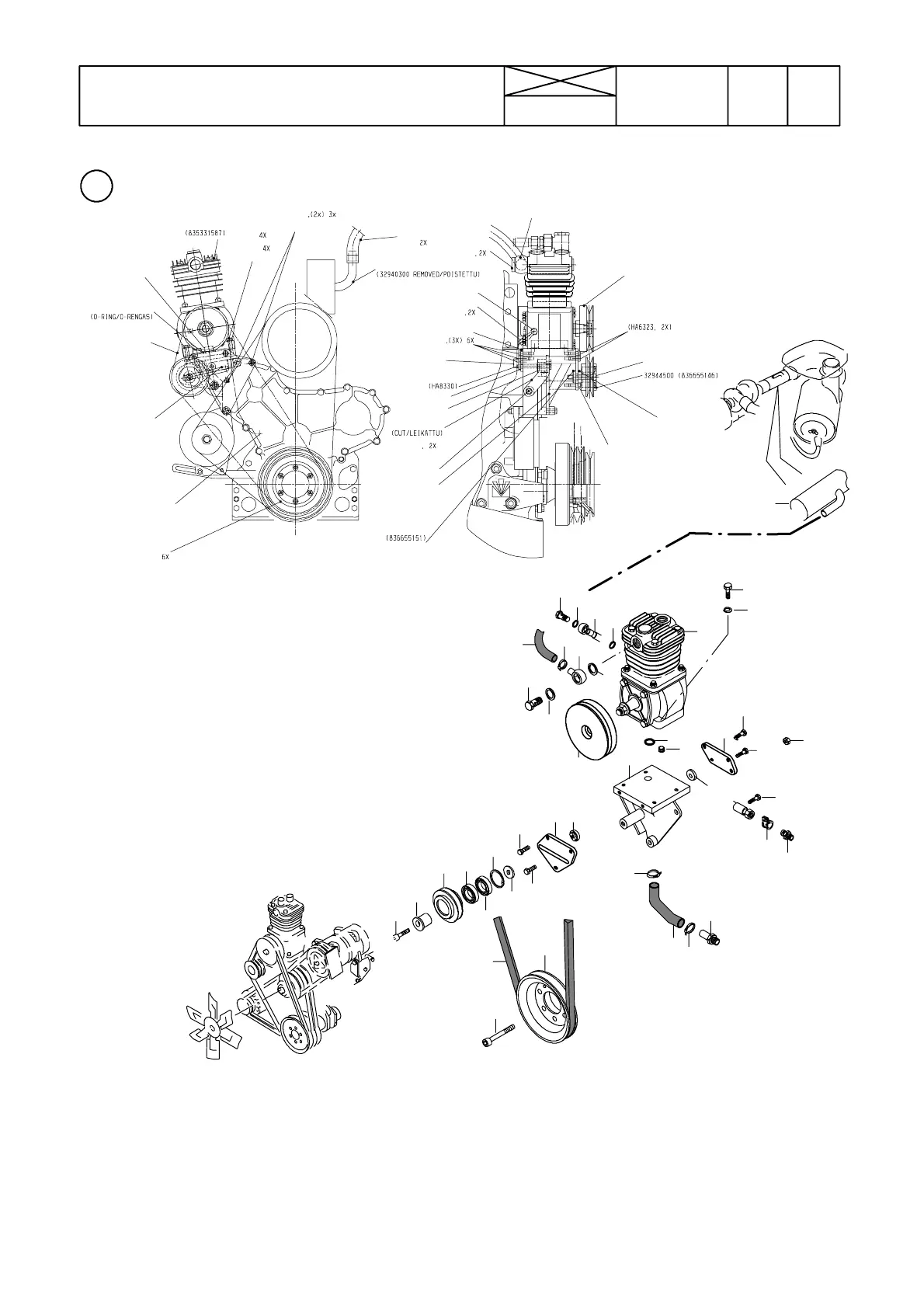
FRONT AXLE AIR SUSPENSION, fitting instr.
(17)
6900(8000R)
8050---8950
ASENNUS MOOTTORIN OIKEALLE PUOLELLE (6---syl.)
DITSÄTTNING PÅ MOTORNS HÖGER SIDA (6---cyl.)
MOUNTING ON THE RIGHT SIDE OF THE ENGINE (6---cyl.)
1
3
5
2
6
4
8
9
10
11
12
12
16
14
16
17
18
18
19
20
21
13
22
26
27
28
29
30
30
31
32
33
34
37
38
25
24
7
2
14
36
23
35
15
37
25
11
H
8450---8950
32
16
26
24
27
9
38
7
8
15
4
6
5
3
2
1
20
14
34
14
33
36
21
12
11
35
22
23
14
13
18
19
17

Table of Contents

Related product manuals