EasyManua.ls Logo

Valtra 6550 - Assembling Gearbox

Valtra 6550
1361 pages
Print Icon
To Next Page IconTo Next Page
To Next Page IconTo Next Page
To Previous Page IconTo Previous Page
To Previous Page IconTo Previous Page
Loading...
Decimal for value E
712
Model Code Page
42. Gearbox
8. 11. 1990
6000--8750 423 8
4. Assembling gearbox
Note! In this instruction, assembling work is done in the co r-
rect working order. Before assembling, the lubricating oil
pipes must be fitted.
A. Fitting layshaft, input shaft, transmis-
sion shaft, bevel pinion shaft and AVO---
shaft
Note! Lubricate all parts with oil before fitting.
1. If the layshaft bearings are changed, warm up new bea-
rings before fitting them onto the shaft or use a suitable fitting
sleeve.
2. Fit the pump drive mechanism, if detached. Do not fit t he
lowest fixing screw. Fit the input shaft lubricating oil pipe.
3. Fit the layshaft rear bearing outer race into the location.
Then fit the spacerring (3mm) and the circli pbehind the race.
4. Fit the reverse shuttle selector lever (if removed) so that the
round---shaped end points downwards. Grease the lever
o---ring and fit it.
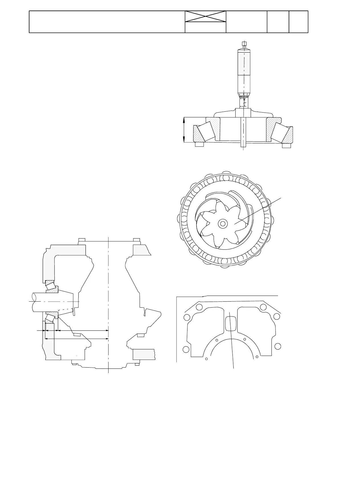
Adjusting position of bevel pinion shaft
The purpose of this adjustment is to determine the number of
shims under the rear bearing outer race
X
C
D
E
X = required shim thickness
C = thickness of rear bearing
D = measurement stamped into the end surface of the pinion
shaft (the distance from the rear surface of the bearing to the
centre of the differential bearing locations)
E = the distance from the bottom of the rear pinio n bearing
location to the centre of the differential bearing locations.
Note! E = 193 mm + decimals stamped on the RH side of
the gearbox housing (e.g. 95). However, if this decimals is bet-
ween 0,00---0,20, then E=194 mm.
C
--- Measure the thickness C of the rear bearing (e.g. 33,75)
(rotate the bearing at least 20 times before measuring).
D
--- R e a d v a lu e D stamped into the rear end of the pinion shaft
(e.g. 159,70)
95
--- Read decimalsstamped onthe RH side of the gearbox. The
shims thicknesscan be determined by using the followingfor-
mula:
X = E --- ( C + D )
E.G. X=193,95 ---(33,75+159,70)=0,5 mm.

Table of Contents

Related product manuals