EasyManua.ls Logo

Valtra 6550 - Circuit Diagram, ACB

Valtra 6550
1361 pages
Print Icon
To Next Page IconTo Next Page
To Next Page IconTo Next Page
To Previous Page IconTo Previous Page
To Previous Page IconTo Previous Page
Loading...
318
Model Code Page
1. 11. 1998
8450--8750
321
11A
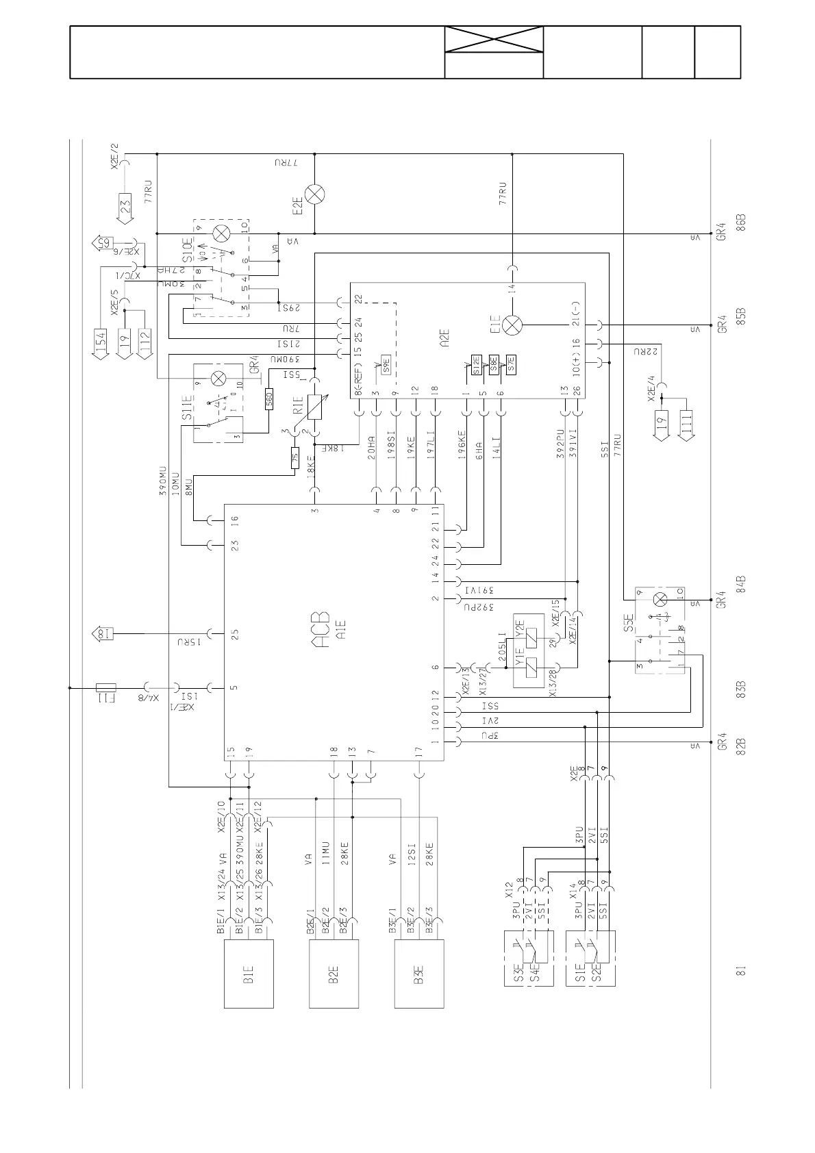
32. ACB power lift
Circuit diagram, ACB

Table of Contents

Related product manuals