EasyManua.ls Logo

Valtra 6550 - Page 176

Valtra 6550
1361 pages
Print Icon
To Next Page IconTo Next Page
To Next Page IconTo Next Page
To Previous Page IconTo Previous Page
To Previous Page IconTo Previous Page
Loading...
169
Model Code Page
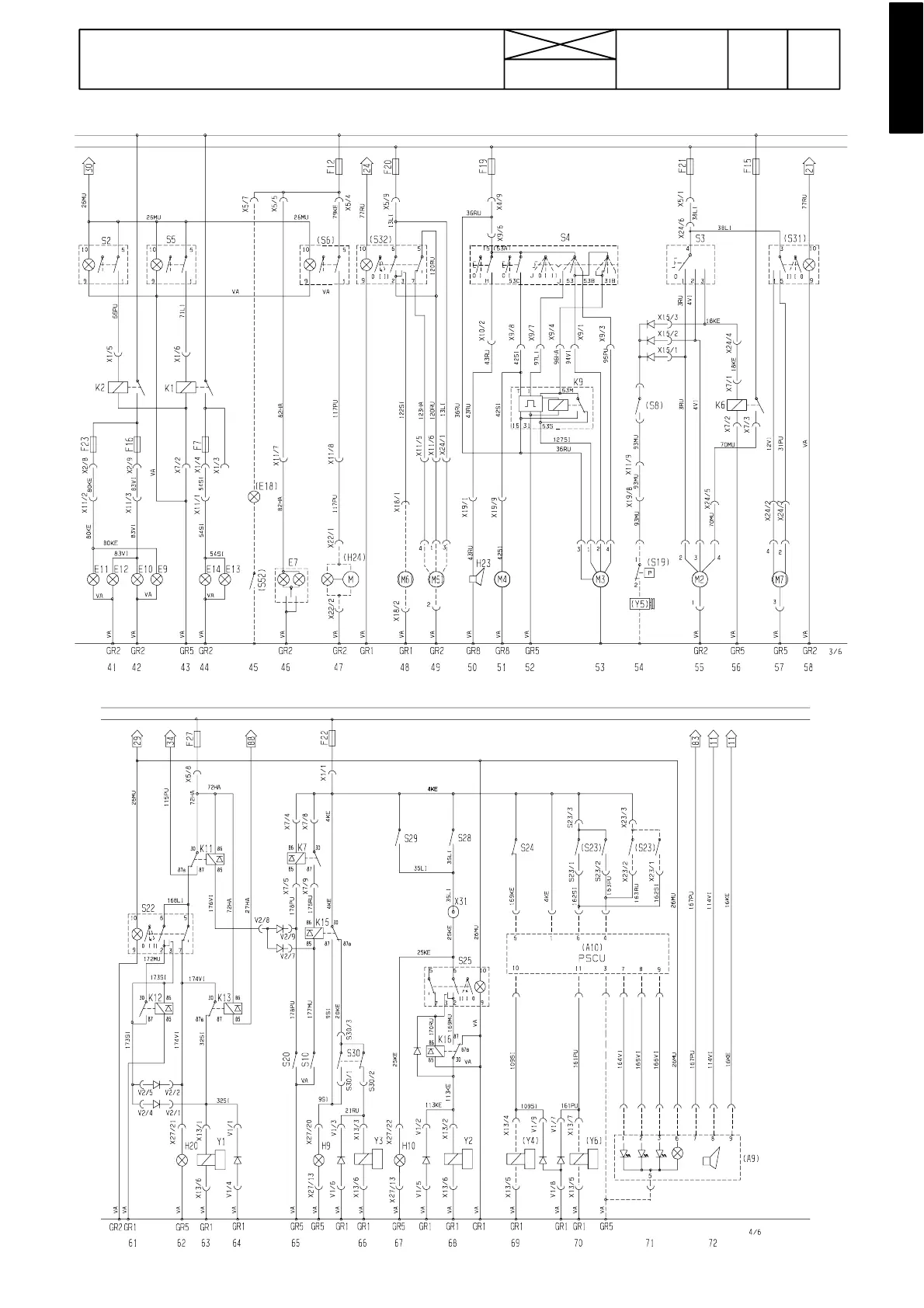
31. Tractor electric system
6000--8400 310 19
1. 1. 1994

Table of Contents

Related product manuals