EasyManua.ls Logo

Valtra 6550 - Page 192

Valtra 6550
1361 pages
Print Icon
To Next Page IconTo Next Page
To Next Page IconTo Next Page
To Previous Page IconTo Previous Page
To Previous Page IconTo Previous Page
Loading...
185
Model Code Page
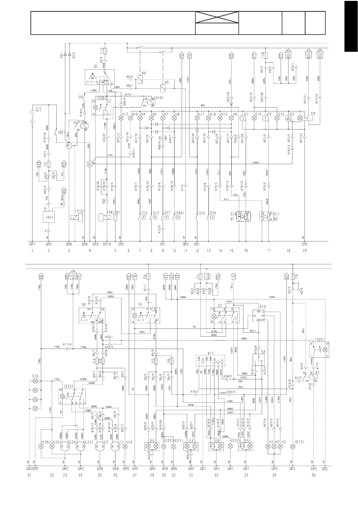
31. Electrical system
1. 4. 1997
6000--8750 310 35
318 716 40 F
PT97, 1/9
PT97, 2/9

Table of Contents

Related product manuals