EasyManua.ls Logo

Valtra 6550 - Page 204

Valtra 6550
1361 pages
Print Icon
To Next Page IconTo Next Page
To Next Page IconTo Next Page
To Previous Page IconTo Previous Page
To Previous Page IconTo Previous Page
Loading...
53
Model Code Page
1. 11. 1998
6250--8950 310 47
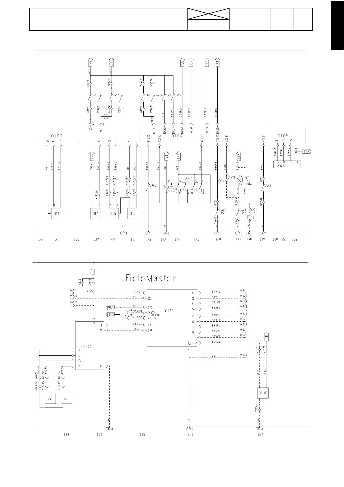
31. Tractor electric system
1. 9. 2002
9
10
HiTech, H49112---J38342

Table of Contents

Related product manuals