EasyManua.ls Logo

Valtra 6550 - Page 255

Valtra 6550
1361 pages
Print Icon
To Next Page IconTo Next Page
To Next Page IconTo Next Page
To Previous Page IconTo Previous Page
To Previous Page IconTo Previous Page
Loading...
70
1. 9. 2002
6250--8950 310 98
Model Code Page
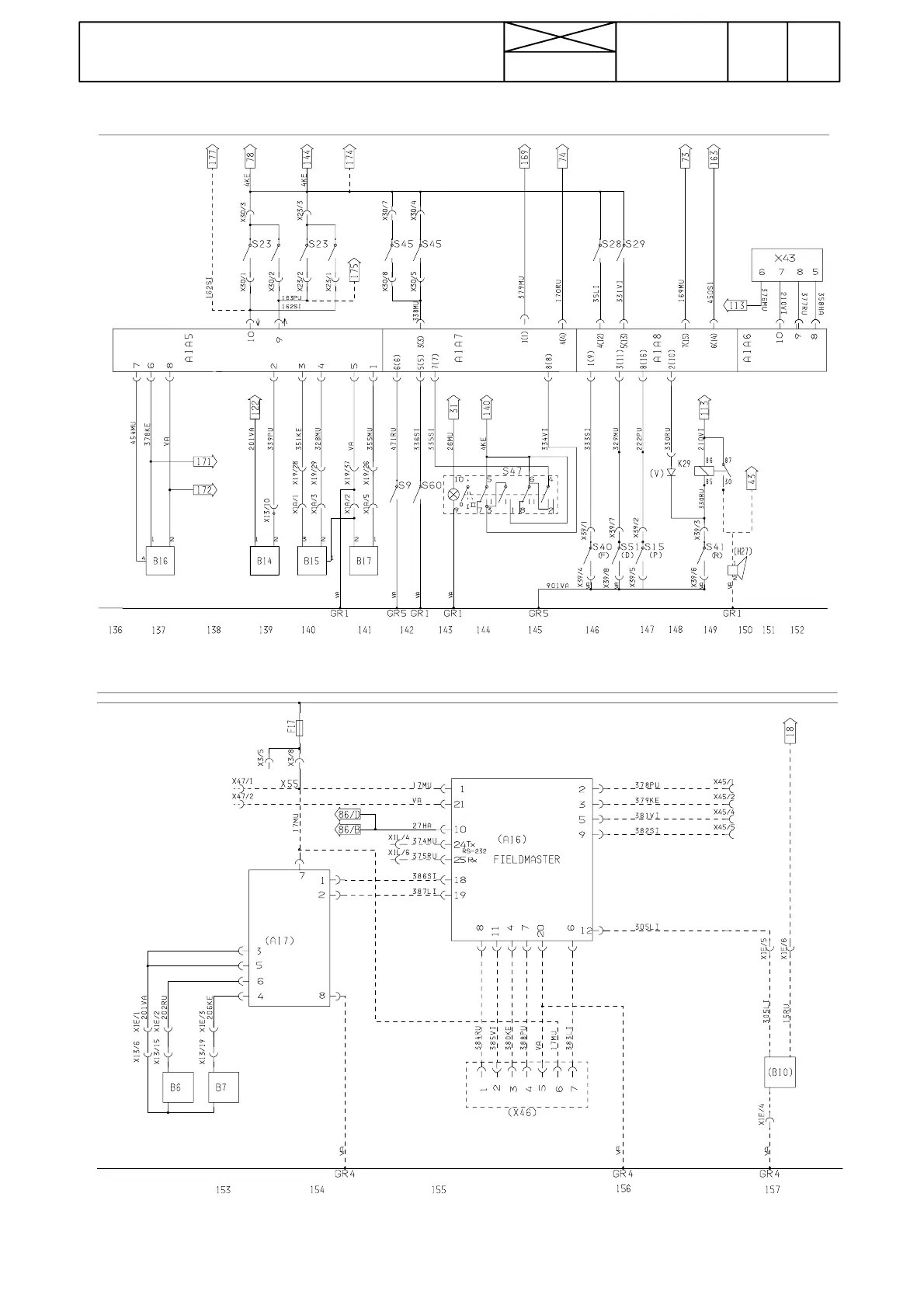
31. Tractor electrical system
HiTech, L18105---

Table of Contents

Related product manuals