EasyManua.ls Logo

Valtra 6550 - Page 540

Valtra 6550
1361 pages
Print Icon
To Next Page IconTo Next Page
To Next Page IconTo Next Page
To Previous Page IconTo Previous Page
To Previous Page IconTo Previous Page
Loading...
493
Model Code Page
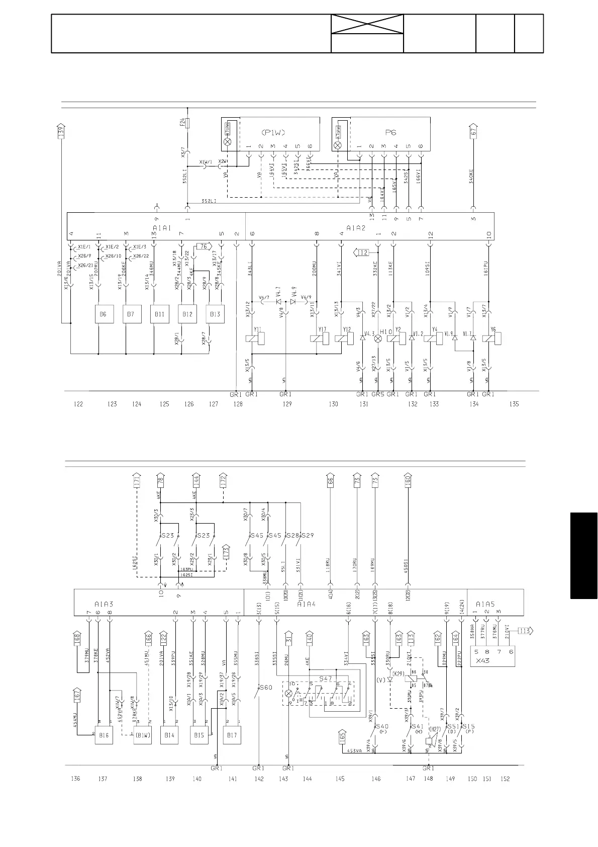
37. Autocontrol 5
1. 8. 2000
370
26A6250--8950
1. 10. 1999
Wiring diagram AC5 1
Wiring diagram AC5 2
Current must
not be taken
from circuit of
fuse F24 (safe-
ty risk)
Note! Supply
voltages of
sensors B12
and B13 via
fuse F22.
J38343-- K41106 (AC 5)

Table of Contents

Related product manuals