EasyManua.ls Logo

Valtra 6550 - Page 798

Valtra 6550
1361 pages
Print Icon
To Next Page IconTo Next Page
To Next Page IconTo Next Page
To Previous Page IconTo Previous Page
To Previous Page IconTo Previous Page
Loading...
207
Model Code Page
6250--8950
16A440
44. DPS, shuttle and 4WD clutch
1. 9. 2002
1. 8. 2000
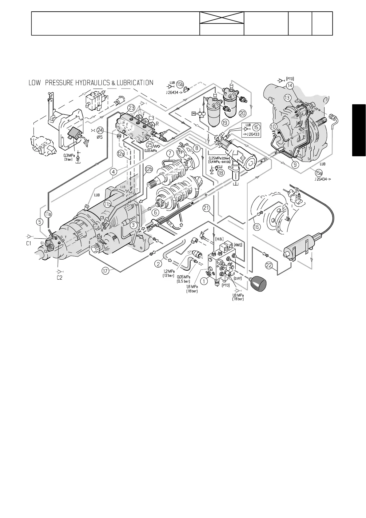
Lubricating and low pressure piping on HiTech tractors
Picture 7A . Low pressu re pipes on HiTech tractors.
1. Servo valve block (see pages 420/20C and 440/24):
--- on the valve block there are solenoid valves for diff. lock,
4WD, PTO (proportional) and hand brake.
--- oil cooler by ---pass valve (0,05 MPa) and oil cooler safety
valve (1,2 MPa)
--- pressure limiting valve of 1,8 MPa (clutch pressures).
2. Lubricating oil to gearbox.
3. Distribution piece (in which there is ø 2mm restriction for the
bevel pinion shaft lubrication).
4. Lubricating oil to shuttle
5. Lubricating oil to DPS
6. Lubricating oil to bevel pinion shaft
7. Lubricating oil to input shaft
8. Lubricating oil to pump drive mechanism
9. Lubricating oil to PTO clutch (+PTO)
10. Lubricating oil to PTO shaft (in the pipe there is ø 1,5 mm
hole for differential lubrication)
11a. Pressure oil to DPS solenoid valves P1/P2.
11b. Pressure oil to DPS clutch C3.
12a. Pressure oil to shuttle F ---clutch
12b. Pressure oil to shuttle R ---clutch
13. Pressure oil to PTO clutch
14. Test point, PTO clutch pressure (threads M14x1,5)
15. Test point (HPR), lubr. pressure.
16. Pressure oil to diff. lock
17. Pressure oil to 4WD clutch
18. Pressure---limiting valve (0,4 MPa) determines the lu-
brication pressure (0,25 MPa, K41107---).
19. Pressure filter of low pressure hydraulics
20. Return oil filter
21. Pressure oil from pump via filter into the valve block 1.
22. Pressure oil to hand brake ram
23. Valve block
24. Restriction, diam 5 mm
25. Non---return valve, 0,05 MPa (K50440---)

Table of Contents