EasyManua.ls Logo

Valtra 6550 - Page 938

Valtra 6550
1361 pages
Print Icon
To Next Page IconTo Next Page
To Next Page IconTo Next Page
To Previous Page IconTo Previous Page
To Previous Page IconTo Previous Page
Loading...
235
Model Code Page
51. Brakes
1. 9. 2002
6000--8950 510 7
1. 10. 1999
2a
2b
3a
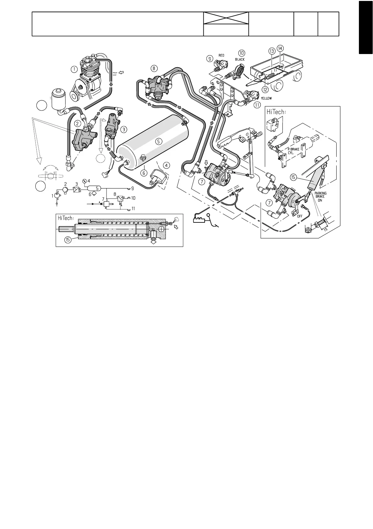
Picture 8. Pressure air brakes for trailer on 6000 ---8950
1. Compressor
2. Deicer
2a. Flow valve lever
2b. Deicer reservoir
3. Pressure regulator
4. Pressure gauge
5. Pressure reservoir
6. Water draining plug
7 . C o n t r o l v a l v e ( o n e --- a n d t w o --- l i n e s y s t e n s )
8. Control valve (one---line system)
General
The trailer is connected in the two ---line system to two
couplings. The couplings (9 and 11) have been marked as
follows:
--- R e s e r v o i r l i n e --- red protecting cover
--- B r a k e l i n e --- yellow protecting cover
--- In the one---line system the trailer is connected to the
black (brake line) coupl ing (in certain marketing areas).
By turning connection (3a) on the pressure regulator to the
bottom, compressed air can be taken off for auxiliary pur-
poses (pressure about 8 bar, e.g. for tyre inflation). Through
this connec t io n the system can also be filled with auxiliary
compressed air, e.g. if the tractor compressor does not
function. In this case the connection need not be screwed
fully into the bottom.
If the outdoor temperature is below +5°C, eythol alcohol
or methanol must be used in the deicer (2b) . Antifreeze
agent flow valve lever (2a) must then be open (position 1).
Reservoir and lever are placed under the cab RH side front
edge. When filling the reservoir it must be removed from its
holder.
NOTE! In the system there must be full pressure, about
7---8 bar, before driving the tractor. Pressure gauge (4)is
placed in the cab beside the dashboard.
When connecting in the two---line system trailer to tractor,
connect first the trailer yellow coupling (without pressure).
When disconnecting the trailer, disconnec t first the red
coupling (reservoir line).

Table of Contents

Related product manuals