EasyManua.ls Logo

wsm M7060 - Page 20

wsm M7060
639 pages
Print Icon
To Next Page IconTo Next Page
To Next Page IconTo Next Page
To Previous Page IconTo Previous Page
To Previous Page IconTo Previous Page
Loading...
INFORMATION
M6060, M7060, WSM
I-16
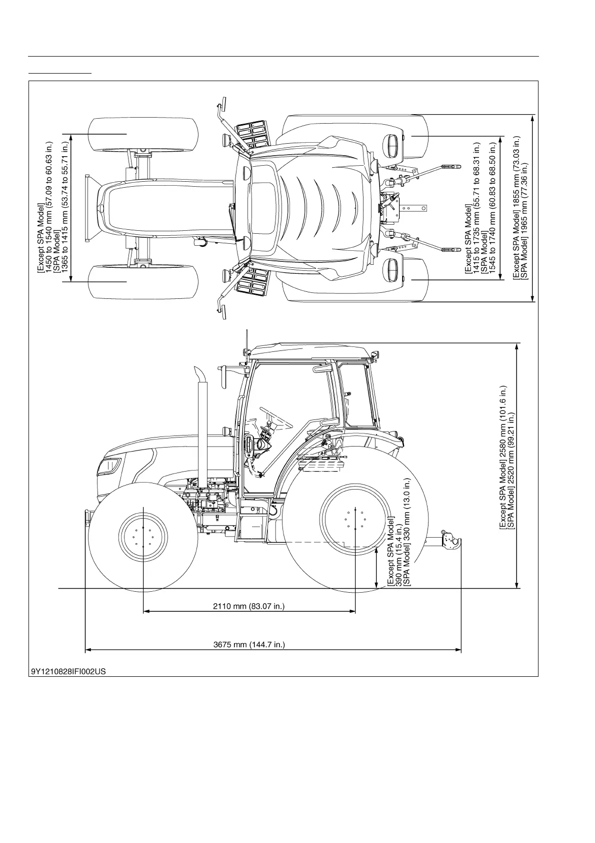
CABIN Model
9Y1210828INI0012US0
KiSC issued 08, 2013 A

Table of Contents

Related product manuals