EasyManua.ls Logo

wsm M7060 - Electrical System; Electrical Circuit

wsm M7060
639 pages
Print Icon
To Next Page IconTo Next Page
To Next Page IconTo Next Page
To Previous Page IconTo Previous Page
To Previous Page IconTo Previous Page
Loading...
CABIN
M6060, M7060, WSM
9-M6
[7] ELECTRICAL SYSTEM
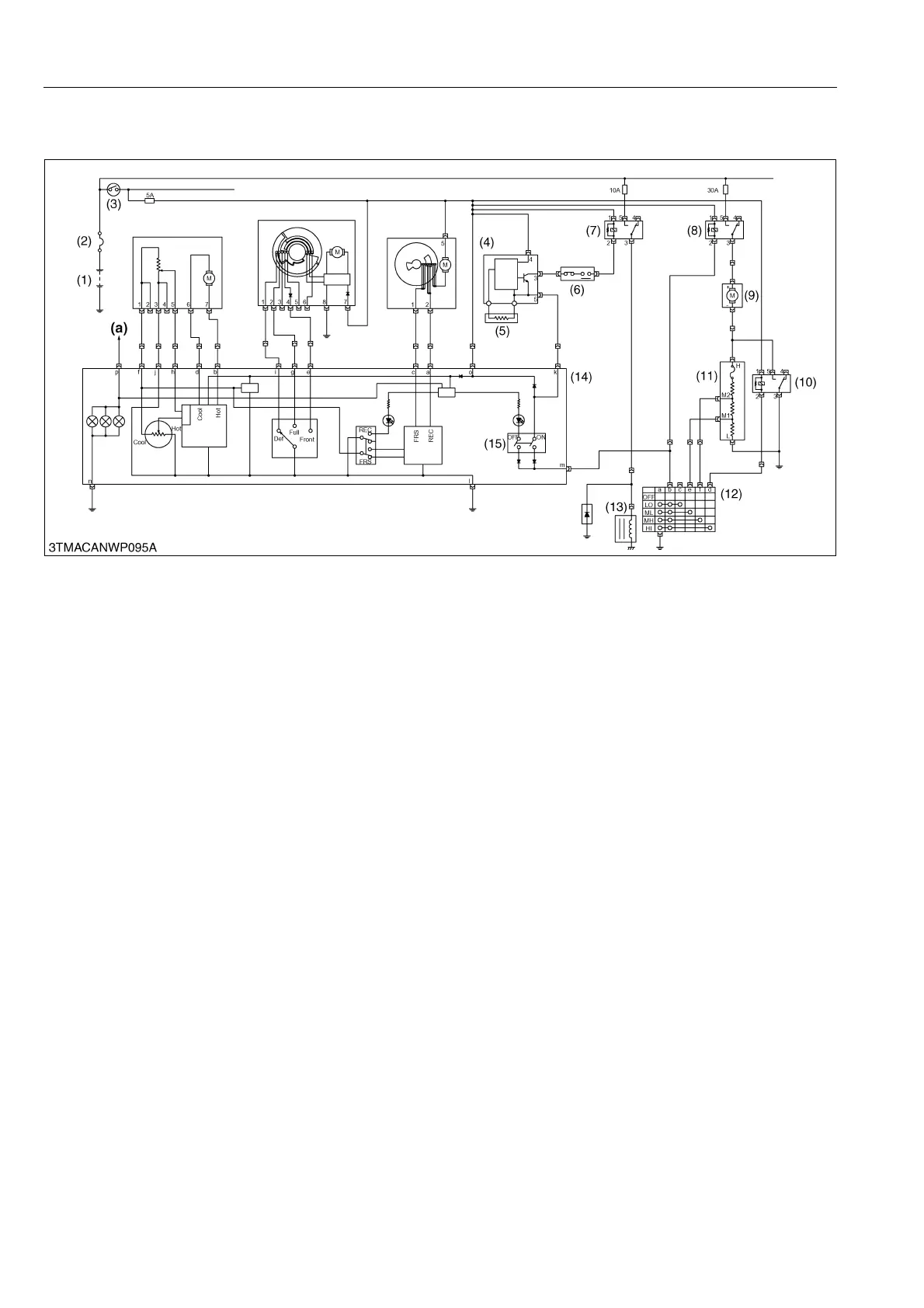
(1) Electrical Circuit
The process of magnetic clutch being engaged is shown below.
Main Switch (3) ON A/C Switch (15) ON Blower Switch (12) ON (Low, Medium 1, Medium 2 or High)
Compressor Relay (7) ON Thermo Amplifier (4) ON (the thermostat temperature is more than 3 °C (37.4 °F))
Pressure Switch (6) ON (if refrigerant pressure is between 0.21 MPa (2.1 kgf/cm
2
, 30 psi) and 2.6 MPa (27 kgf/cm
2
,
380 psi) Magnetic Clutch of Compressor Engaged.
9Y1210828CAM0011US0
(1) Battery
(2) Slow Blow Fuse
(3) Main Switch
(4) Thermo Amplifier
(5) Frost Thermistor
(6) Pressure Switch
(7) Compressor Relay
(8) Blower Relay
(9) Blower Motor
(10) Blower High Relay
(11) Blower Resistor
(12) Blower Switch
(13) Compressor
(14) A/C Control Panel
(15) A/C Switch
(a) To Light Switch
KiSC issued 08, 2013 A

Table of Contents

Related product manuals