EasyManua.ls Logo

wsm M7060 - Engine Control System 2 (Engine ECU)

wsm M7060
639 pages
Print Icon
To Next Page IconTo Next Page
To Next Page IconTo Next Page
To Previous Page IconTo Previous Page
To Previous Page IconTo Previous Page
Loading...
ELECTRICAL SYSTEM
M6060, M7060, WSM
8-M6
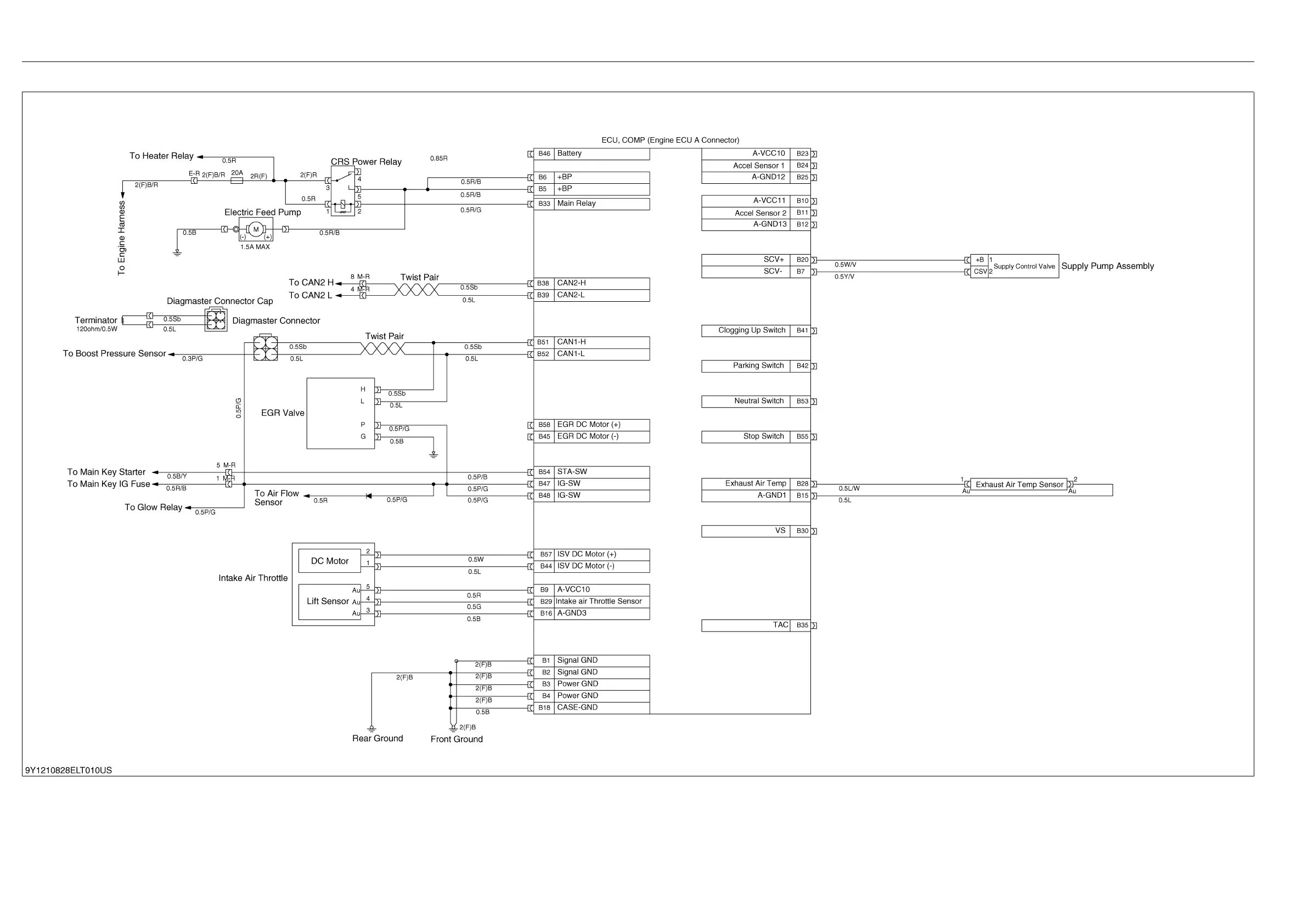
(6) Engine Control System 2 (Engine ECU)
KiSC issued 08, 2013 A

Table of Contents

Related product manuals