EasyManua.ls Logo

wsm M7060 - Live Pto-Ground Pto Model (Ita Model)

wsm M7060
639 pages
Print Icon
To Next Page IconTo Next Page
To Next Page IconTo Next Page
To Previous Page IconTo Previous Page
To Previous Page IconTo Previous Page
Loading...
TRANSMISSION
M6060, M7060, WSM
2-M2
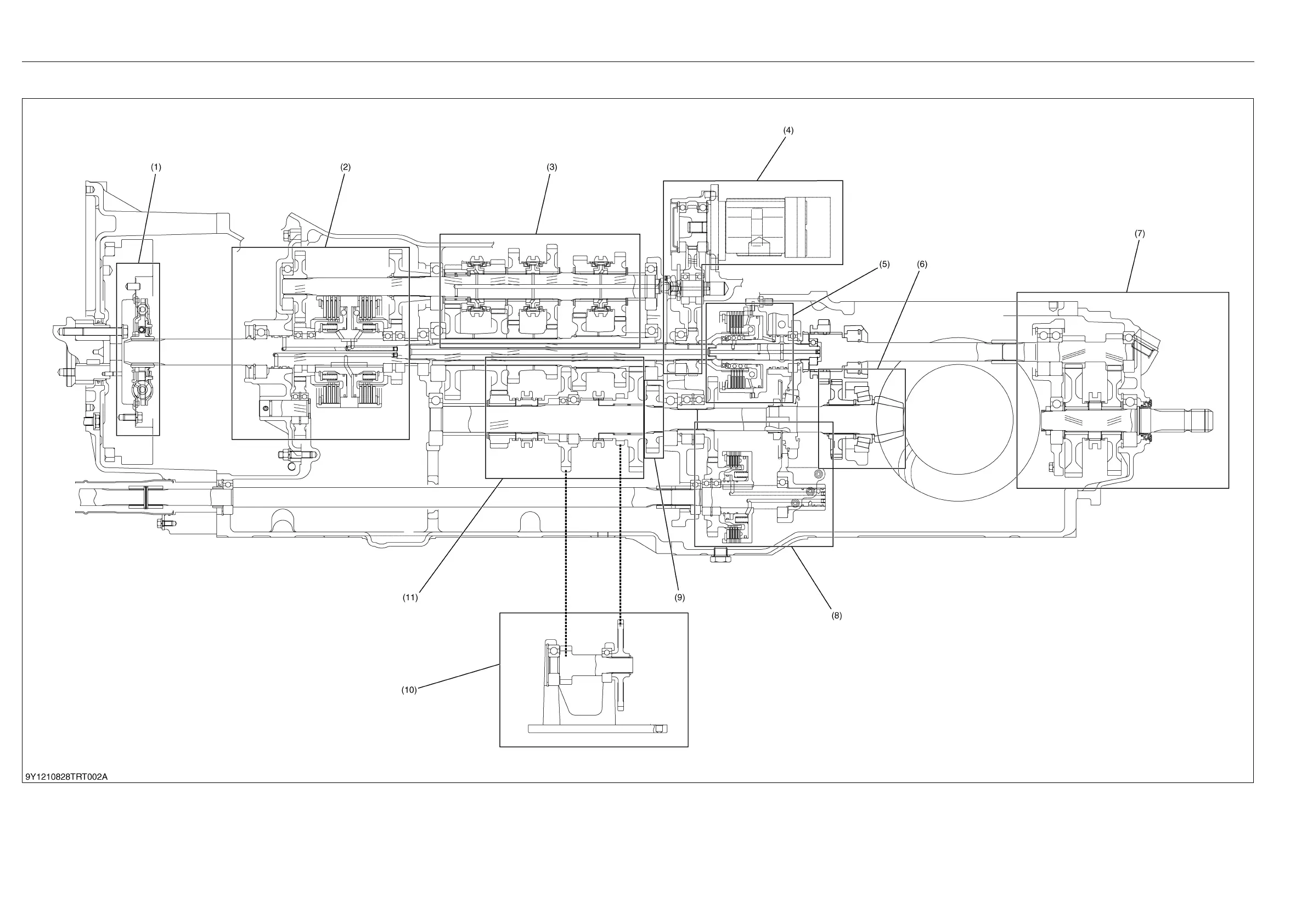
[2] LIVE PTO-GROUND PTO MODEL (ITA MODEL)
(1) Damper
(2) Hydraulic Shuttle Section
(3) Main Gear Shift Section
(4) Hydraulic Pump Drive Section
(5) PTO Clutch Section
(6) Live PTO-Ground PTO Section
(7) PTO Gear Section
(8) Four Wheel Drive Clutch Section
(9) Parking Gear Lock Section
(10) Creep Gear Section (Cassette Type)
(11) Range Gear Shift Section
KiSC issued 08, 2013 A

Table of Contents

Related product manuals